Curiosii for ever!: Car repair manuals for everyone.

For Notchback Model

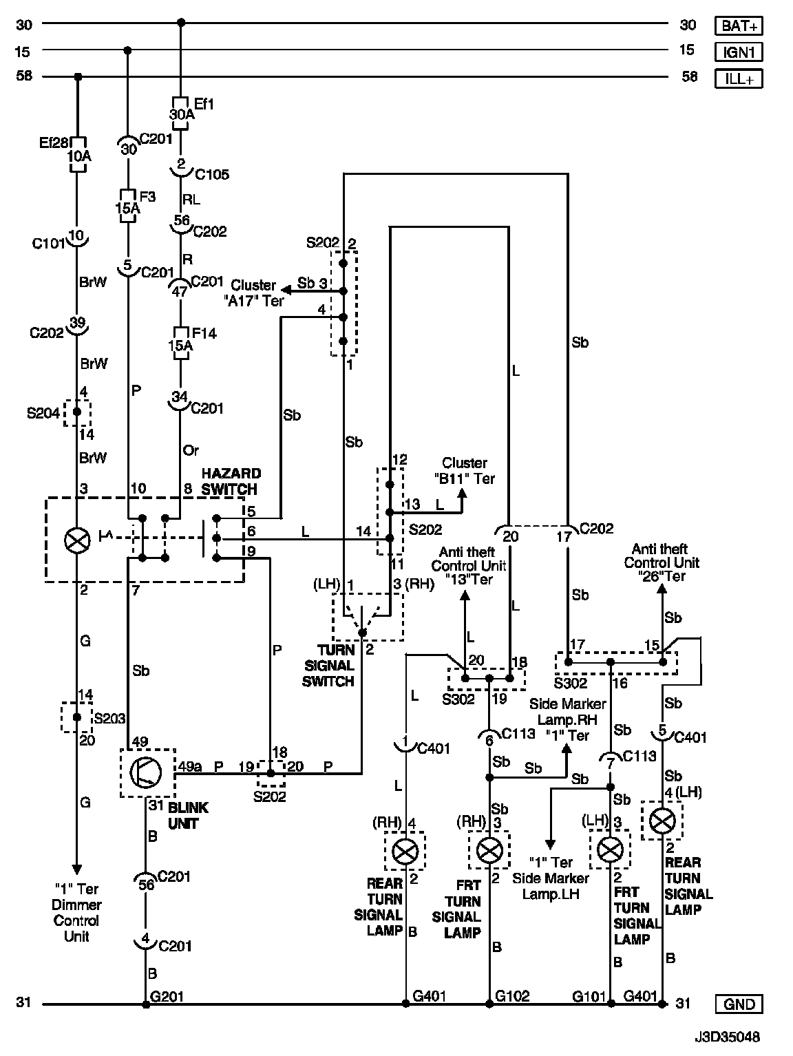
Hazard and Turn Signal Lamp Circuit Wiring Diagram (For NOTCHBACK Model):




WIRING DIAGRAM

C101 - G401:




CONNECTOR INFORMATION

Connector Identification Symbol and Pin Number Position:




CONNECTOR IDENTIFICATION SYMBOL AND PIN NUMBER POSITION

W/H FRONT:




POSITION OF CONNECTORS AND GROUNDS

S202:




S203:




S204:




S302 (Notchback):




SPLICE PACK