Curiosii for ever!
: Car repair manuals for everyone.
Home
>>
Suzuki
>>
2006
>>
Forenza L4-2.0L
>>
Repair and Diagnosis
>>
Heating and Air Conditioning
>>
Diagrams
>>
Electrical Diagrams
>>
Manual Control A/C System
Manual Control A/C System
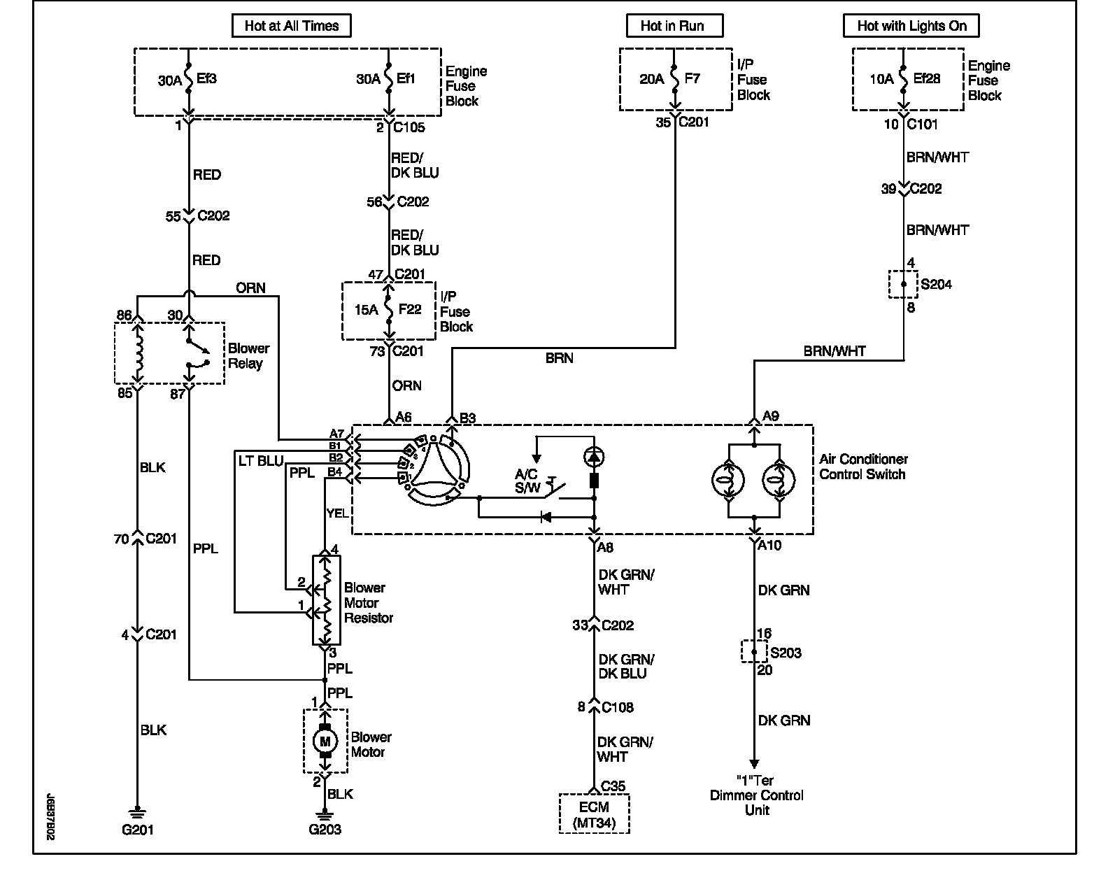
Manual Control A/C Diagram (1 of 2):
Manual Control A/C Diagram (2 of 2):