Curiosii for ever!
: Car repair manuals for everyone.
Home
>>
Suzuki
>>
2006
>>
Forenza L4-2.0L
>>
Repair and Diagnosis
>>
Diagrams
>>
Exploded Views
>>
Manual Transmission/Transaxle
>>
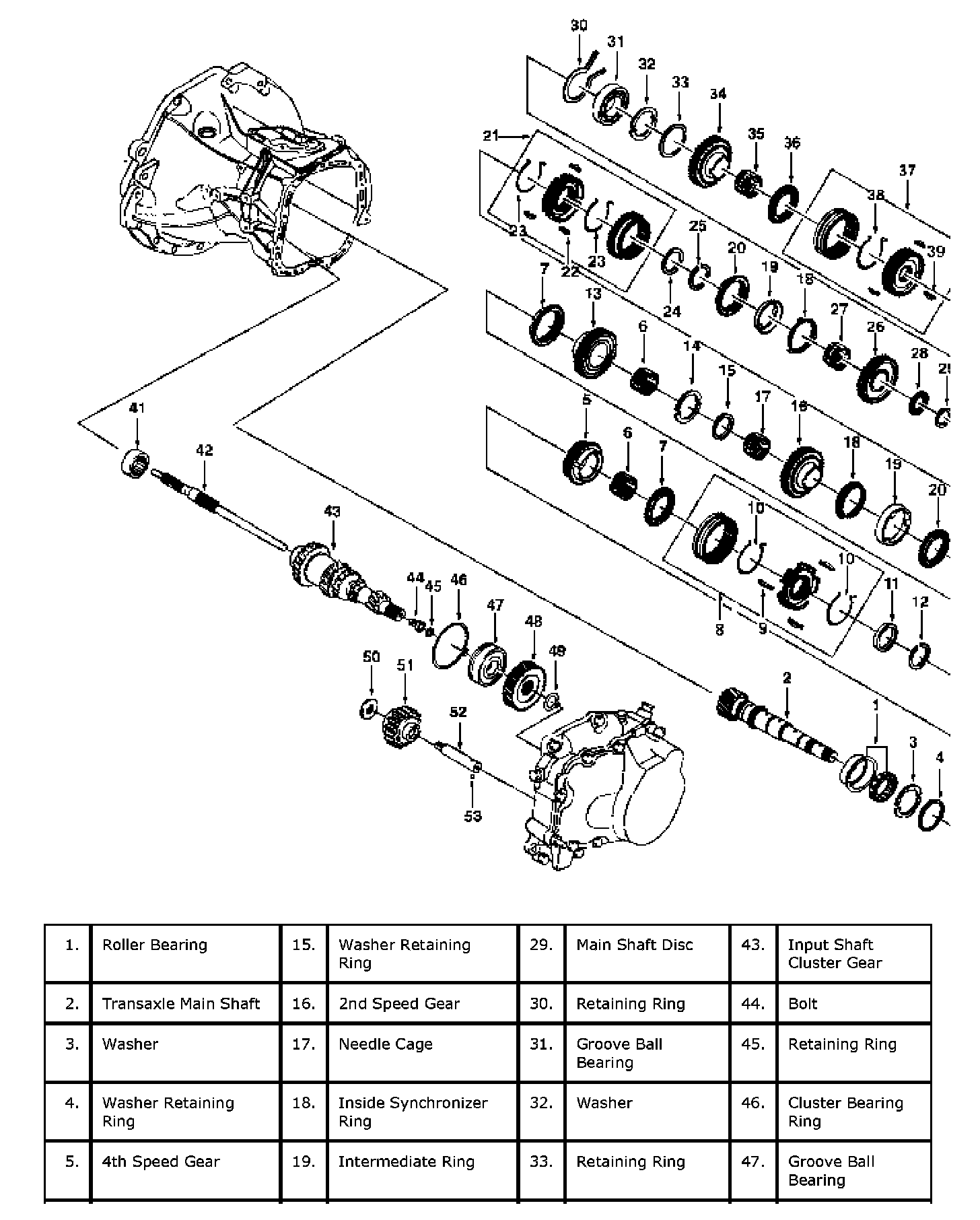
Gears and Case Components
Gears and Case Components
Part 1:
Part 2: