Curiosii for ever!
: Car repair manuals for everyone.
Home
>>
Suzuki
>>
2006
>>
Forenza L4-2.0L
>>
Repair and Diagnosis
>>
Diagrams
>>
Electrical Diagrams
>>
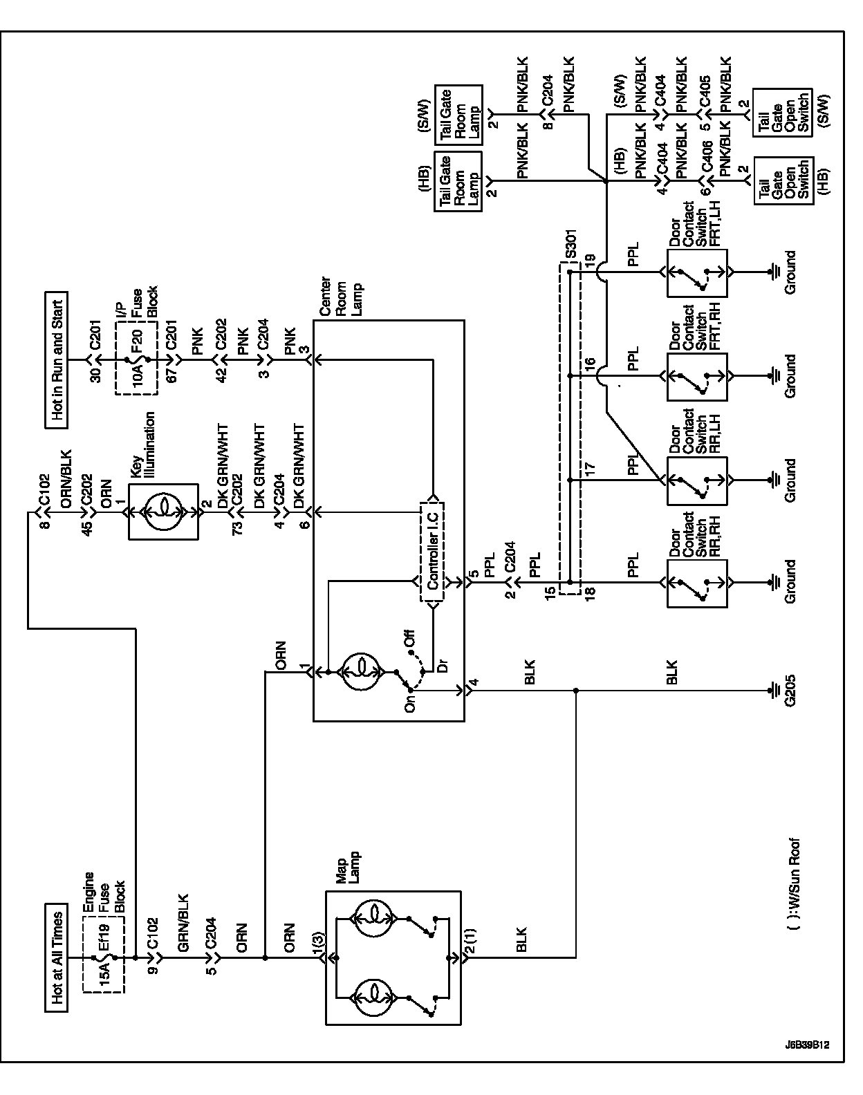
Courtesy Lamp
>>
System Diagram
>>
System Schematic
System Schematic
Interior Courtesy And Luggage Compartment Lamp Circuit Diagram: