Curiosii for ever!: Car repair manuals for everyone.

For Hatchback Model

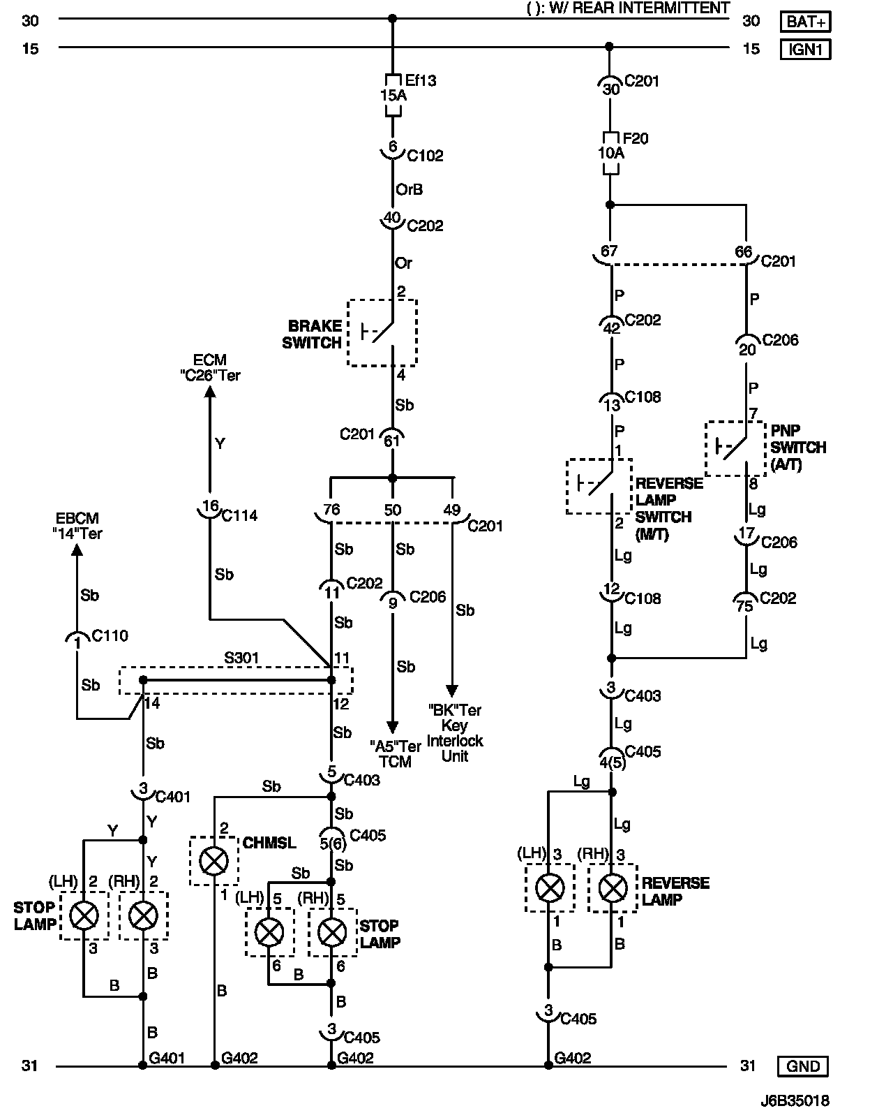
Stop Lamp, Center High Mount Stop Lamp (CHMSL) and Reverse Lamp Circuit Wiring Diagram (For HATCHBACK Model):




WIRING DIAGRAM

C102 - G402:




CONNECTOR INFORMATION

Connector Identification Symbol and Pin Number Position:




CONNECTOR IDENTIFICATION SYMBOL AND PIN NUMBER POSITION

W/H BODY:




W/H TAIL GATE:




POSITION OF CONNECTORS AND GROUNDS

S301(Hatchback):




SPLICE PACK