Curiosii for ever!: Car repair manuals for everyone.

Automatic Transaxle Unit Disassembly

Automatic Transaxle Unit Disassembly
Reference: Automatic Transaxle Unit Dismounting and Remounting
Reference: Automatic Transaxle Assembly Components
Reference: Automatic Transaxle Unit Assembly

CAUTION:
^ Thoroughly clean transaxle exterior before overhauling it.
^ Keep working table, tools and hands clean while overhauling.
^ Use special care to handle aluminum parts so as not to damage them.
^ Do not expose removed parts to dust. Keep them always clean.

1. Extract torque converter (1).

CAUTION: Remove torque converter as much straight as possible. Leaning it may cause to damage oil seal lip.





2. Pull out transmission range sensor assembly (1).
a. Remove nut, washer and manual shift lever (2).
b. Pry off lock washer (4).
c. Remove lock nut (3).
d. Remove lock washer (4).
e. Remove 2 bolts (5).

NOTE: Never reuse lock washer after removal.





3. Remove fluid level gauge (1), fluid filler tube (2), output shaft speed sensor (3), input shaft speed sensor (4) and vehicle speed sensor (5) (for speedometer).

NOTE: Never reuse fluid filler tube bolt.

4. Disconnect transmission fluid temperature sensor connector (6) and remove transmission fluid temperature sensor (7).





5. Remove transaxle side cover (1) by removing bolts.





6. Remove solenoid harness from clamp.
7. Disconnect pressure control solenoid, shift solenoid-A, shift solenoid-B and TCC solenoid connectors (1, 2, 3, 4).
8. Remove solenoid harness (5) with O-ring.





9. Remove valve body assembly (1) by removing 9 bolts (4), and then disconnect manual valve connecting rod (2) from manual valve lever (3).

CAUTION: Be careful not to let manual valve fall off when removing valve body assembly.





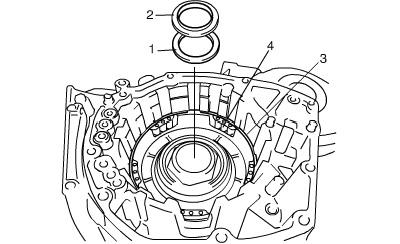
10. Remove 2 gaskets (1).





11. Remove 17 bolts (1) of transaxle housing.
12. Remove 8 bolts (2) of oil pump body.





13. Remove transaxle housing with oil pump (1), using special tool, and then remove oil pump body (2) by hand.

Special Tool (A): 09912-34510





14. Clean and wipe off gasket sealant on mating surface between transaxle housing and transaxle case.
15. Remove oil reservoir RH plate (1) by removing 3 bolts.
16. Remove transaxle lubrication tube (2) by removing the bolt and prying up both ends of the tube.








17. Remove countershaft front bearing (1) using bearing puller.





18. Remove differential gear assembly (1).
19. Remove one-way No. 1 clutch assembly (2) and one-way No. 1 clutch front thrust washer (3).
20. Remove oil strainer assembly (4) by removing bolt (5).





21. Loosen 11 bolts of transaxle rear cover.
22. Lightly and uniformly tap two rib sections of transaxle rear cover (1), using plastic hammer.
23. Pull out transaxle rear cover (1) and input shaft rear thrust bearing rear race (2).





24. Remove 4 gaskets (1) from transaxle case.
25. Remove tube clamp (2) and transaxle lubrication tube (3) prying up both ends of the tube.





26. Remove forward and direct clutch assembly (1), thrust bearing (2) and bearing front race (3) of input shaft rear side.





27. Remove planetary gear (1) and planetary sun gear (2) with the input shaft front thrust bearing (3) installed.





28. Remove snap ring (1) using flat end rod or the like.
29. Remove front planetary ring gear and one-way No. 2 clutch (2) with front planetary ring gear rear thrust bearing (3).
30. Remove retaining plates R, friction plates F and separator plates S in the following order.

R -> F -> S -> F -> S -> F -> S -> F -> S -> F -> R





31. Remove front thrust bearing (2) and bearing race (1) of front planetary ring gear.
32. Remove retainer ring (3) and 1st / reverse brake piston return spring (4).





33. Remove 1st / reverse brake piston (1) with O-ring installed while applying and releasing compressed air (400 - 800 kPa, 4 - 8 kg/cm2, 57 - 113 psi) through oil hole section (2).

NOTE: If piston will not pop out, it is recommended to use needle nose pliers for removal.





34. Remove reduction drive gear (2) by removing retainer ring (1).





35. Remove oil reservoir LH plate (1).





36. Remove parking lock pawl bracket and manual detent spring (1).
37. Remove parking lock pawl shaft (2), torsion spring (3) and parking lock pawl (4).
38. Remove parking lock rod (5) and manual shift shaft (6).





39. Remove underdrive gear assembly (1) with bearing (2) and bearing race (3).





40. Remove torsion spring (1), spacer (2) and underdrive brake accumulator bracket (3).





41. Remove underdrive brake accumulator cover (1), piston (2) and spring (3) while applying and releasing compressed air (400 - 800 kPa, 4 - 8 kg/cm2, 57 - 113 psi) through oil hole (4).





42. Remove underdrive brake band anchor bolt (1) with O-ring (2).





43. Remove underdrive clutch assembly (1) with bearing (2) and race (3).





44. Remove underdrive clutch thrust bearing (1).
45. Remove underdrive brake band (2).





46. Remove underdrive brake piston as follows.
a. Using special tool, compress underdrive brake piston cover (2) and remove snap ring using pliers or the like.
b. Remove cover (2), piston (3) and spring (4) by applying compressed air (400 - 800 kPa, 4 - 8 kg/cm2, 57 - 113 psi) from oil hole (1).





47. Remove snap ring (1) using flat end rod or the like.
48. Remove one-way No. 3 clutch (2).





49. Remove 2 oil seal rings (1).





50. Remove differential side oil seal (1) using special tools.

Special Tool
(A): 09913-75821
(B): 09924-84510-005





51. Remove manual shift shaft oil seal (1) using flat end rod or the like.