Curiosii for ever!
: Car repair manuals for everyone.
Home
>>
Suzuki
>>
2006
>>
Aerio L4-2.3L
>>
Repair and Diagnosis
>>
Powertrain Management
>>
Computers and Control Systems
>>
Testing and Inspection
>>
Component Tests and General Diagnostics
>>
Electric Load Signal Circuit Check
Electric Load Signal Circuit Check
Electric Load Signal Circuit Check
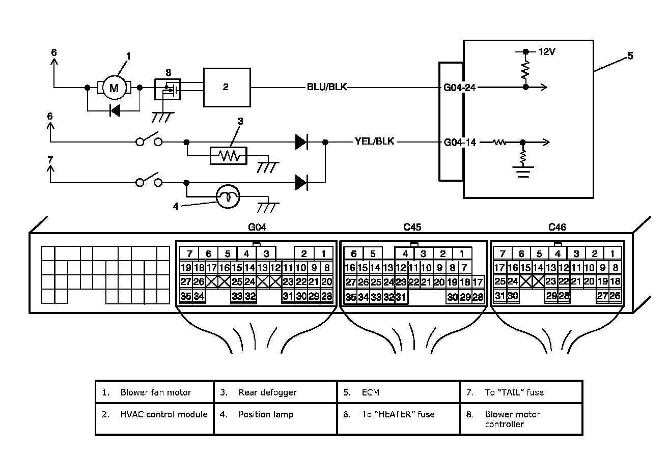
Wiring Diagram:
Wiring Diagram
Step 1 - 2:
Step 2 (Continued) - 3:
Troubleshooting