Curiosii for ever!: Car repair manuals for everyone.

ECM Power and Ground Circuit Check

ECM Power and Ground Circuit Check

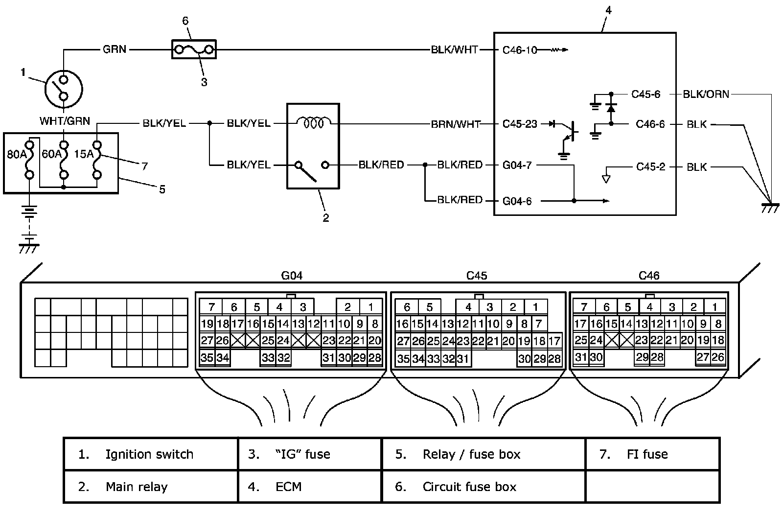
Wiring Diagram:




Wiring Diagram

Circuit Description
When the ignition switch tuned ON, the main relay turns ON (the contact point closes) and the main power is supplied to ECM.

Step 1-4(Continued):




Step 4(Continued)-7:




Step 8-9:




Troubleshooting