Curiosii for ever!
: Car repair manuals for everyone.
Home
>>
Suzuki
>>
2006
>>
Aerio L4-2.3L
>>
Repair and Diagnosis
>>
Powertrain Management
>>
Computers and Control Systems
>>
Testing and Inspection
>>
Component Tests and General Diagnostics
>>
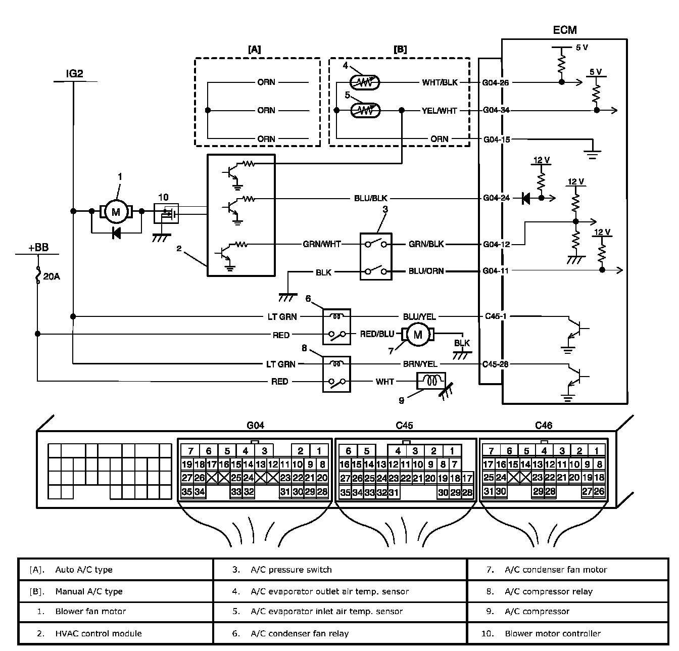
A/C Signal Circuits Inspection
A/C Signal Circuits Inspection
A/C Signal
Circuits Check (Vehicle with A/C)
Wiring Diagram:
Wiring Diagram
Step 1:
Step 1 (Continued) - 2:
Step 2 (Continued) - 6:
Step 6 (Continued) - 7:
Step 8 - 11:
Troubleshooting