Curiosii for ever!: Car repair manuals for everyone.

Removal and Replacement

Part 1 Of 2:




Part 2 Of 2:






Timing Chain Cover Removal and Installation
Removal
1) Remove engine assembly from vehicle.
2) Remove oil pan and oil pump strainer.
3) Remove cylinder head cover.





4) Remove crankshaft pulley bolt.
To lock crankshaft pulley (1), use special tool (camshaft pulley holder) with it as shown in figure.
Special Tool
(A): 09917-68221

NOTE: Be sure to use the bolts instead of pins for fixing special tool to crankshaft pulley.
Bolt size: M8, P 1.25 L = 25 mm (0.98 inch)
Strength: 7T





5) Remove crankshaft pulley (1).
To remove crankshaft pulley, use special tools (Steering wheel remover, Bearing puller attachment) with it as shown in figure.
Special Tool
(A): 09944-36011
(B): 09926-58010





6) Remove A/C compressor bracket (1).





7) Remove generator belt idler pulley (1), water pump pulley (2) and generator belt tensioner (3).





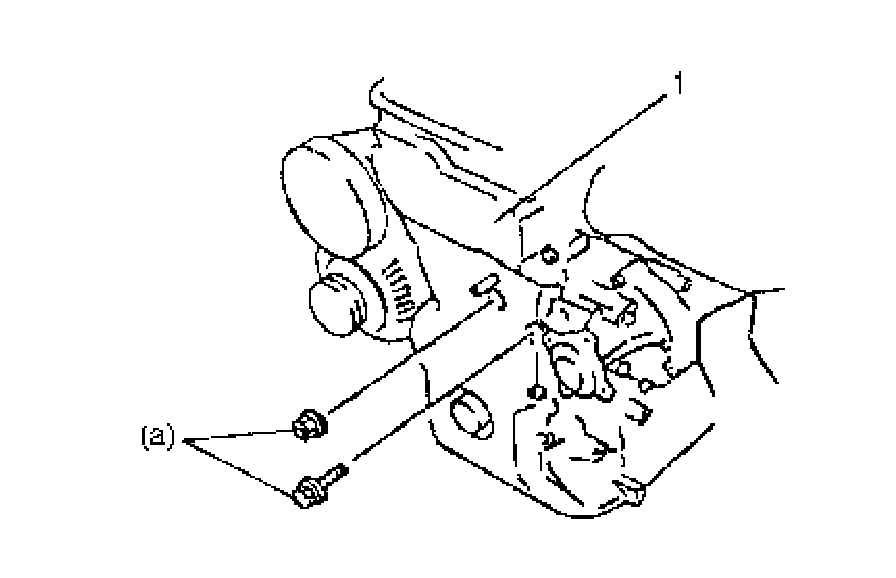
8) Remove timing chain cover (1) bolts (3) and nut (2).

Installation
Reference: Timing Chain Cover Cleaning and Inspection Reverse removal sequence to install timing chain cover (1) noting the points.





1) Apply sealant "A" and "B" to area as shown in figure.
"A": Sealant 99000-31250
"B": Sealant 99000-31140
Sealant amount for timing chain cover
Width "a": 3 mm (0.12 inch)
Height"b": 2 mm (0.08 inch)





2) Apply engine oil to oil seal lip, then install timing chain cover (1). Tighten bolts and nut to specified torque.

NOTE: Before installing timing chain cover, check that pin is securely fitted.

Tightening torque
Timing chain cover bolts and nut (a): 11 Nm (1.1 kgf-cm, 8.0 ft. lbs.)
3) Install generator belt idler pulley (1). Tighten nut to specified torque.
Tightening torque
Generator belt idler pulley nut (a): 45 Nm (4.5 kgf-cm, 33.0 ft. lbs.)
4) Install generator belt tensioner (2). Tighten bolts to specified torque.
Tightening torque
Generator belt tensioner bolts (b): 25 Nm (2.5 kgf-cm, 18.5 ft. lbs.)





5) Install water pump pulley (3).





6) Install A/C compressor bracket (1) if equipped. Tighten bracket bolts to specified torque.
Tightening torque
A/C compressor bracket bolts (a): 55 Nm (5.5 kgf-cm, 40.0 ft. lbs.)
7) Install oil pan.





8) Install crankshaft pulley. To lock crankshaft pulley (1), use special tool (camshaft pulley holder) with it as shown in figure.
Special Tool
(A): 09917-68221

NOTE: Be sure to use the bolts instead of pins for fixing special tool to crank pulley. Bolt size: M8, P 1.25 L = 25 mm (0.98 inch)
Strength: 7T

Tightening torque
Crankshaft pulley bolt (a): 150 Nm (15.0 kgf-cm, 108.5 ft. lbs.)
9) Install engine assembly to vehicle.