Curiosii for ever!: Car repair manuals for everyone.

Turn Signals

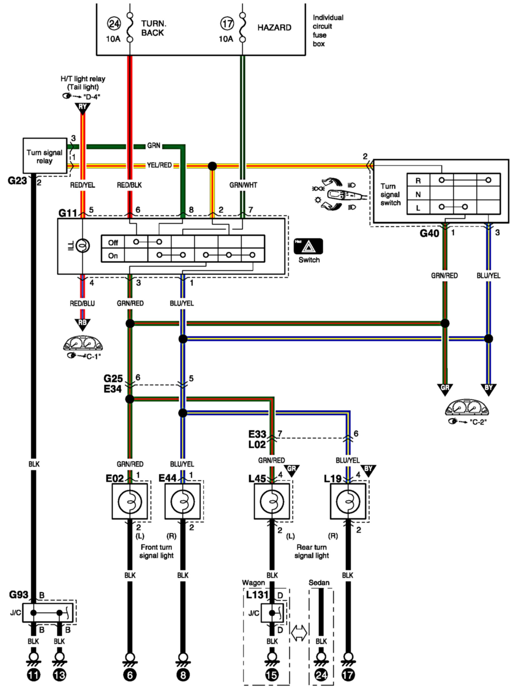
Turn Signal and Hazard Warning Light Circuit Diagram:






Connector/Component Locations: The locations of connectors and components referred to within these diagrams can be found via the connector number at Vehicle Connector Locations. Connector Locations

Ground Locations: The locations of grounds referred to within these diagrams can be found via the ground number at Vehicle Ground Locations. Ground Locations