Curiosii for ever!
: Car repair manuals for everyone.
Home
>>
Suzuki
>>
2005
>>
Aerio L4-2.3L
>>
Repair and Diagnosis
>>
Body and Frame
>>
Interior Moulding / Trim
>>
Console
>>
Service and Repair
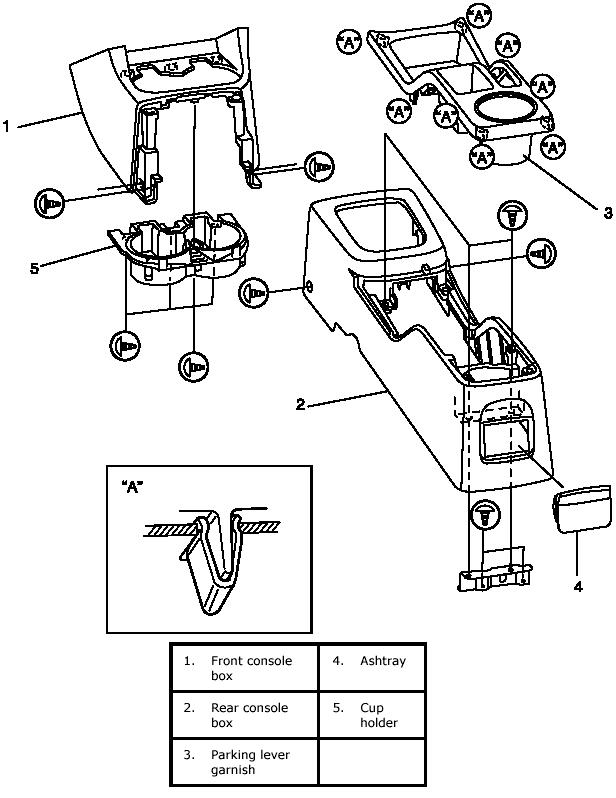
Console: Service and Repair
Console Box Components: