Curiosii for ever!
: Car repair manuals for everyone.
Home
>>
Suzuki
>>
2001
>>
Swift GA L4-1298cc 1.3L SOHC MFI
>>
Repair and Diagnosis
>>
Diagrams
>>
Exploded Views
>>
Automatic Transmission/Transaxle
>>
System Diagram
>>
Subassemblies
Subassemblies
SUB ASSEMBLY SERVICE
OIL PUMP
DIRECT CLUTCH
FORWARD CLUTCH
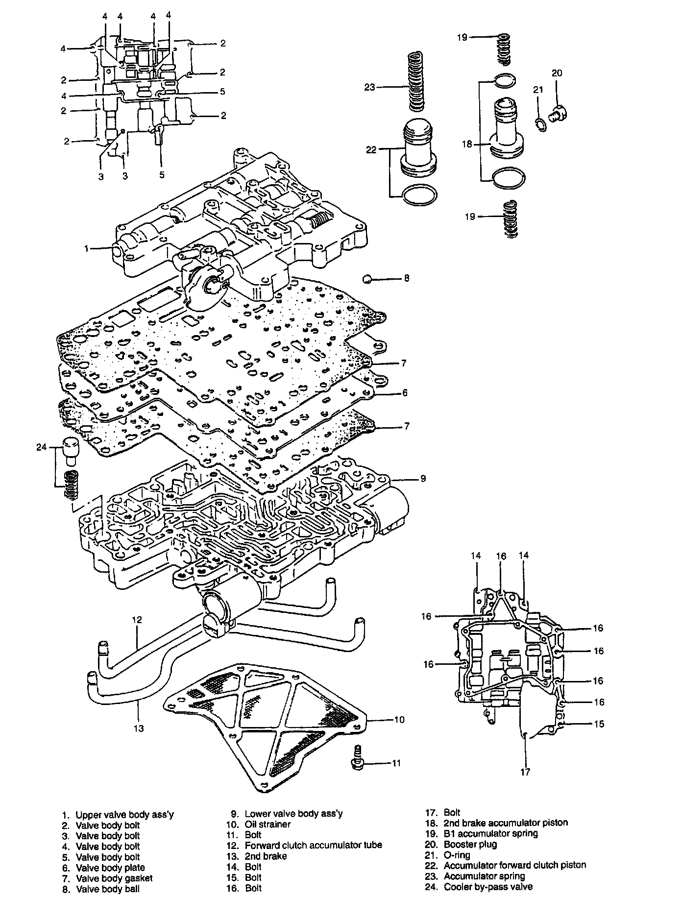
VALVE BODY
COUNTERSHAFT AND OUTPUT SHAFT
DIFFERENTIAL ASSEMBLY