Curiosii for ever!: Car repair manuals for everyone.

Front Fender: Service and Repair

Front Fender Removal And Installation


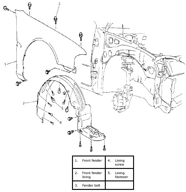
Front Fender Components:






Removal

1. Remove front bumper assembly.
2. Remove front fender.

Installation

Reverse removal procedure for installation.

NOTE: If paint on fender bolt is peeled off, be sure to apply paint again.