Curiosii for ever!: Car repair manuals for everyone.

Heater Control Valve Cable: Service and Repair

HEATER CONTROL CABLES




COMPONENTS

REMOVAL
1. Remove control lever assembly. (Refer to HEATER CONTROL LEVER ASSEMBLY.)
2. Remove heater control cables from control lever assembly.




INSTALLATION
Install control cables by reversing removal procedure, noting the following point.
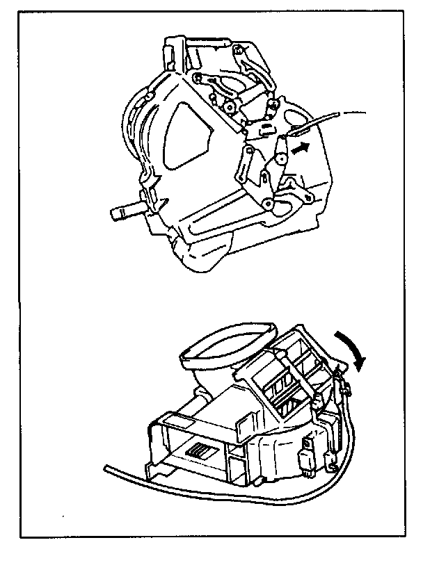
After installing control cables to control levers, move control levers to such position as to pull cables fully, then connect and clamp control cables to heater unit and blower motor unit levers as shown.

NOTE: After installing control cables, be sure that control knobs move smoothly and stop at proper position.