Curiosii for ever!
: Car repair manuals for everyone.
Home
>>
Suzuki
>>
2000
>>
Swift GA L4-1298cc 1.3L SOHC MFI
>>
Repair and Diagnosis
>>
Power and Ground Distribution
>>
Fuse Block
>>
Diagrams
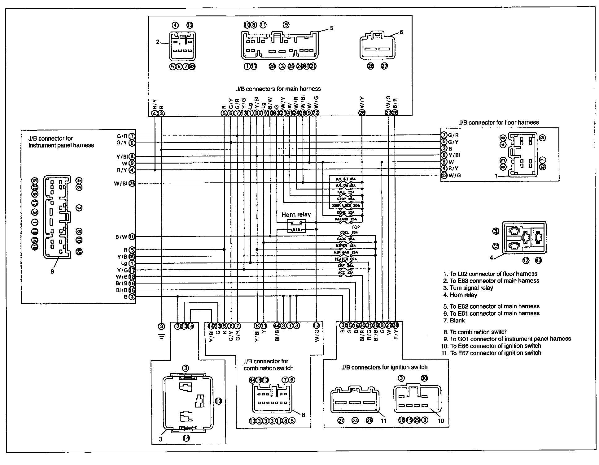
Fuse Block: Diagrams
Junction/Fuse Block Circuit And Fuse Block Designations:
Junction/Fuse Block Circuit: