Curiosii for ever!
: Car repair manuals for everyone.
Home
>>
Suzuki
>>
2000
>>
Swift GA L4-1298cc 1.3L SOHC MFI
>>
Repair and Diagnosis
>>
Diagrams
>>
Exploded Views
>>
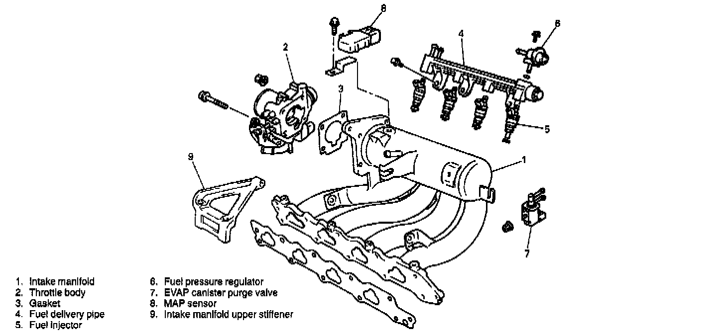
Throttle Body
Throttle Body