Curiosii for ever!: Car repair manuals for everyone.

Electrical Diagrams

A-6 Electronic Fuel Injection System Part 1:




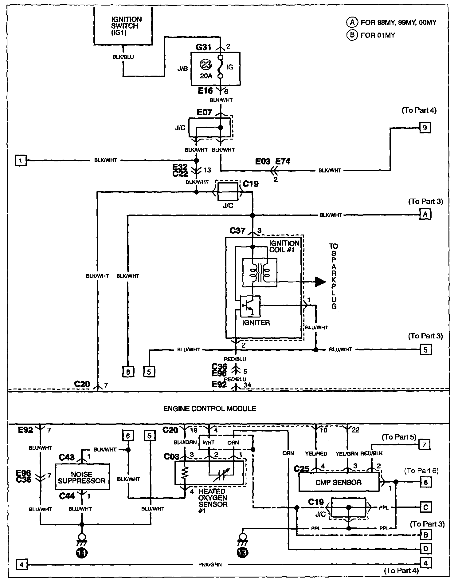
A-6 Electronic Fuel Injection System Part 2:




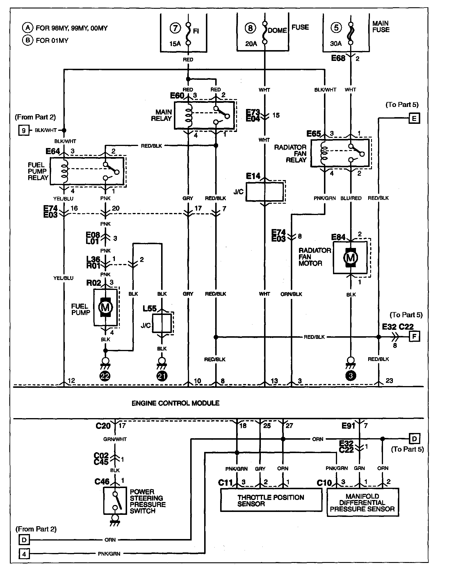
A-6 Electronic Fuel Injection System Part 3:




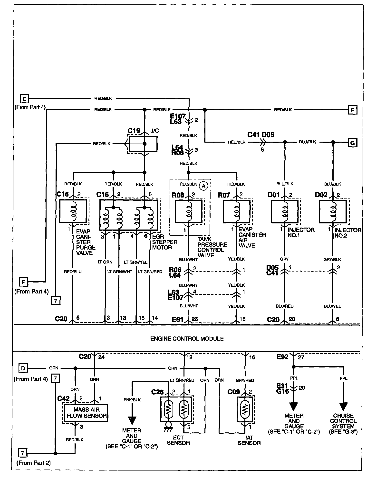
A-6 Electronic Fuel Injection System Part 4:




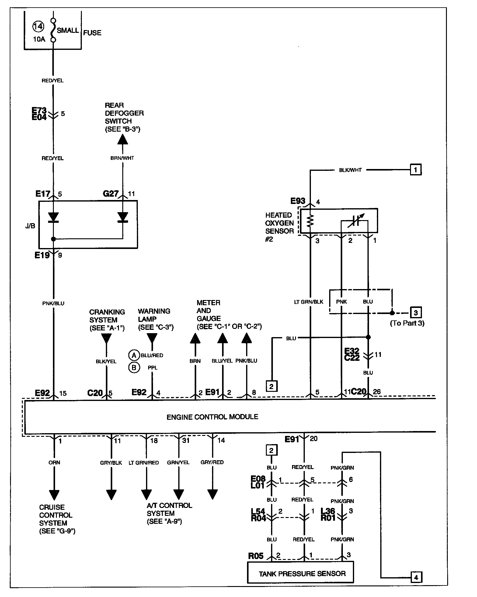
A-6 Electronic Fuel Injection System Part 5:




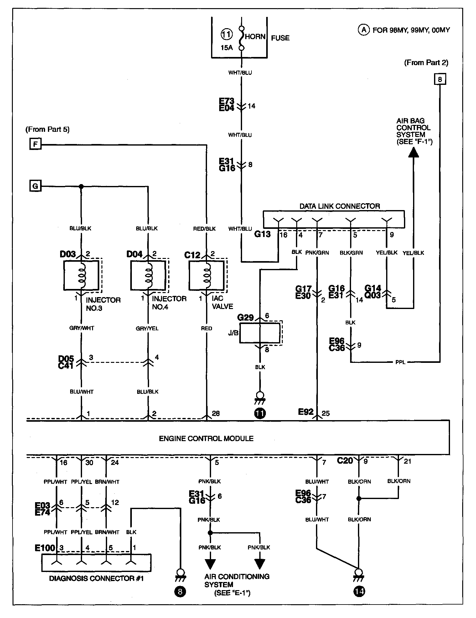
A-6 Electronic Fuel Injection System Part 6:






NOTE: To view other electrical diagrams referred to in these schematics, see System Circuit Diagrams by letter (A Thru Z) Electrical Diagrams