Curiosii for ever!: Car repair manuals for everyone.

Camshaft Position Sensor: Description and Operation








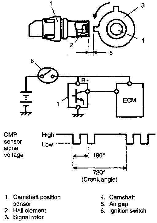
Camshaft Position Sensor (CMP Sensor)
The sensor is mounted on the sensor case (distributorless ignition case) on the camshaft left side. The signal rotor is press-fitted onto the camshaft. As the sensor has a built-in hall element (element which generates voltage from changes in the magnetic flux) and a waveform forming circuit, it converts changes in the magnetic flux caused by rotation of the signal rotor into electric pulse signals. Using this signal and the signal from the CKP sensor, ECM identifies the cylinder whose piston is in the compression stroke.