Curiosii for ever!: Car repair manuals for everyone.

Throttle Position Switch: Description and Operation

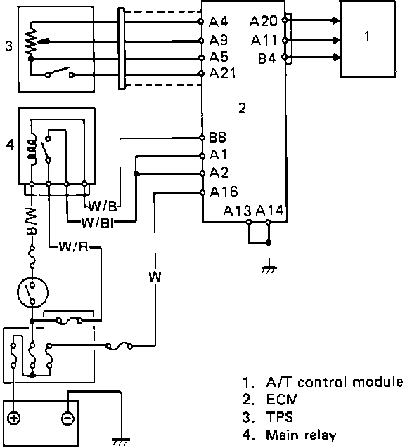
Signal Output Circuit:




ON/OFF Signal Diagram:





Receiving the throttle valve opening signal from the throttle position sensor, ECM converts it into the three ON/OFF signals and sends them to A/T control module through A2O, A11, and B4 terminals. Then A/T control module uses them as the signals to control the automatic transmission.