Curiosii for ever!
: Car repair manuals for everyone.
Home
>>
Suzuki
>>
1994
>>
Swift L4-1298cc 1.3L DOHC 3 MFI 16V
>>
Repair and Diagnosis
>>
Diagrams
>>
Electrical Diagrams
>>
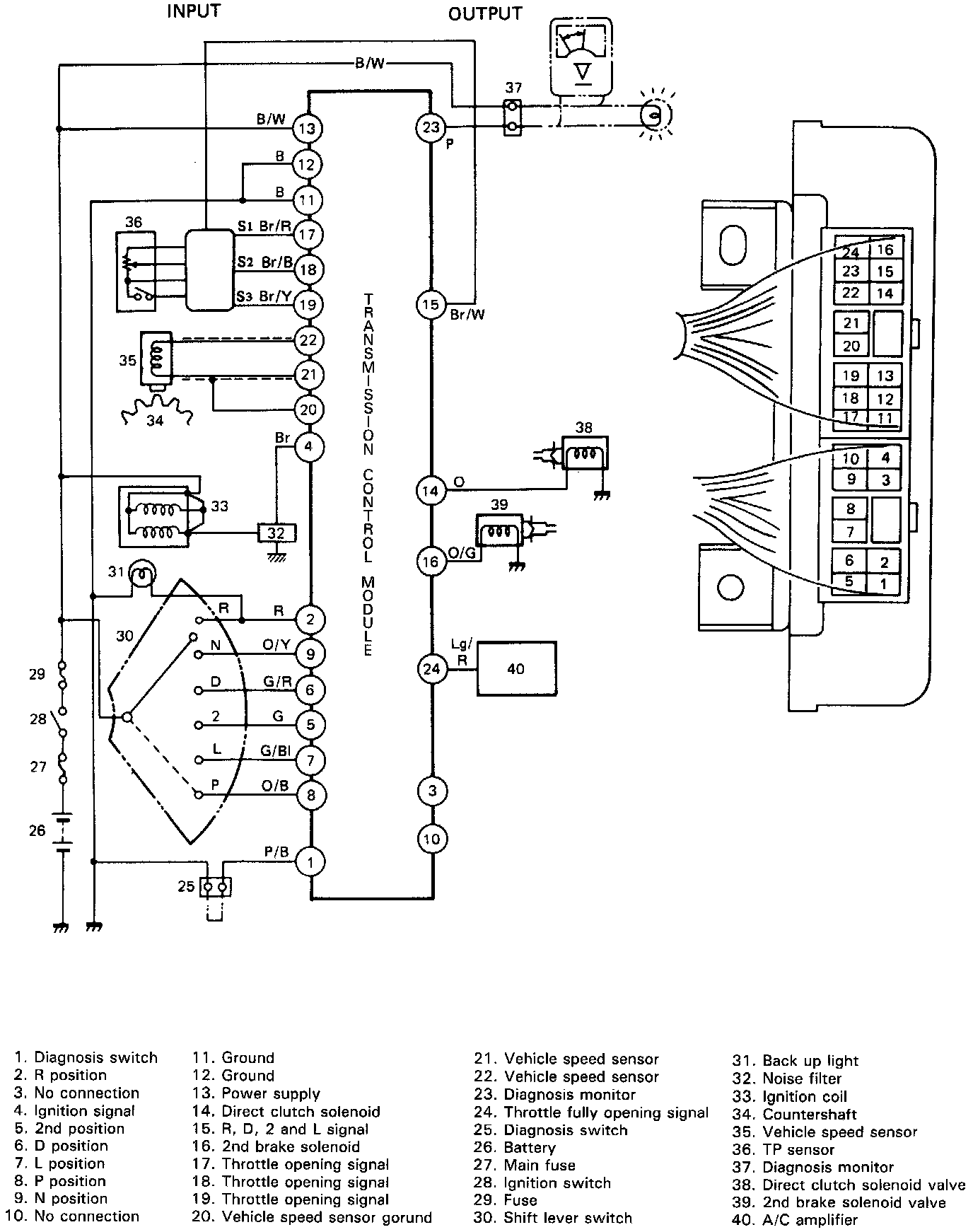
Control Module, A/T
Control Module, A/T