Curiosii for ever!: Car repair manuals for everyone.

Throttle Position Switch: Testing and Inspection

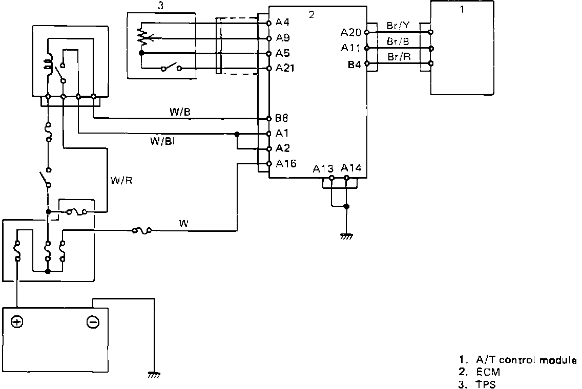
Throttle Position Sensor Circuit:




Checking Output Signal:





- Check voltage at each terminal for "Br/Y", "Br/B" and "Br/R" wires of A,T control module while depressing accelerator pedal gradually.
A/T control module is located under instrument panel and at the right of steering column bracket.

ON/OFF Signal Diagram:





Voltage at each terminal should vary as shown in following ON/OFF signal diagram.

If check result is not satisfactory, check each wire harness, coupler connections, TPS and ECM.