Curiosii for ever!: Car repair manuals for everyone.

No DTC Detection after Performing DTC Check




No DTC Detection after Performing DTC Check

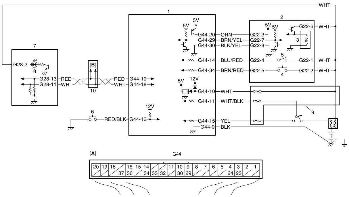
Wiring Diagram










Description

The keyless start control module detects DTC by using signals from the key reminder and driver side door request switches. The keyless start control module makes the key indicator light in the combination meter flash on and off by using CAN communication.

Troubleshooting

1. Combination meter power and ground circuit check

Turn ignition switch to ON position.

Do warning lights in combination meter other than key indicator light light up?
YES -
Go to Step 2.
NO -
Check main fuse, circuit fuse, combination meter power and ground circuit.

2. Driver side door request switch and its circuit check

Check driver side door request switch and its circuit referring to DTC 51 DTC No. 51 / No. 52 / No. 53: Driver Side / Passenger Side / Rear End Door Request Switch Failure.

Is it in good condition?
YES -
Go to Step 3.
NO -
Repair or replace malfunction part.

3. Key reminder switch and its circuit check

Turn ignition switch to OFF position.
Disconnect connector from ignition switch.
Check key reminder switch for operation referring to Ignition Switch Inspection Ignition Switch Inspection.
If OK, check for open, short and high resistance in key reminder switch circuit.

Is it in good condition?
YES -
Go to Step 4.
NO -
Repair or replace malfunction part.

4. Keyless start control module power supply and ground circuit

Check keyless start control module power and ground circuit for condition referring to Keyless Start Control Module Power and Ground Circuit Check Keyless Start Control Module Power and Ground Circuit Check.

Is it in good condition?
YES -
Go to Step 5.
NO -
Repair circuit.

5. CAN communication circuit check

Turn ignition switch to OFF position.
Disconnect connectors of all control modules communicating by means of CAN.
Check CAN communication circuit between control modules for open, short and high resistance.

Is each CAN communication circuit in good condition?
YES -
Substitute a known-good keyless start control module and recheck.
NO -
Repair circuit.