Curiosii for ever!: Car repair manuals for everyone.

Troubleshooting For Communication Bus OFF

Troubleshooting for Communication Bus Off

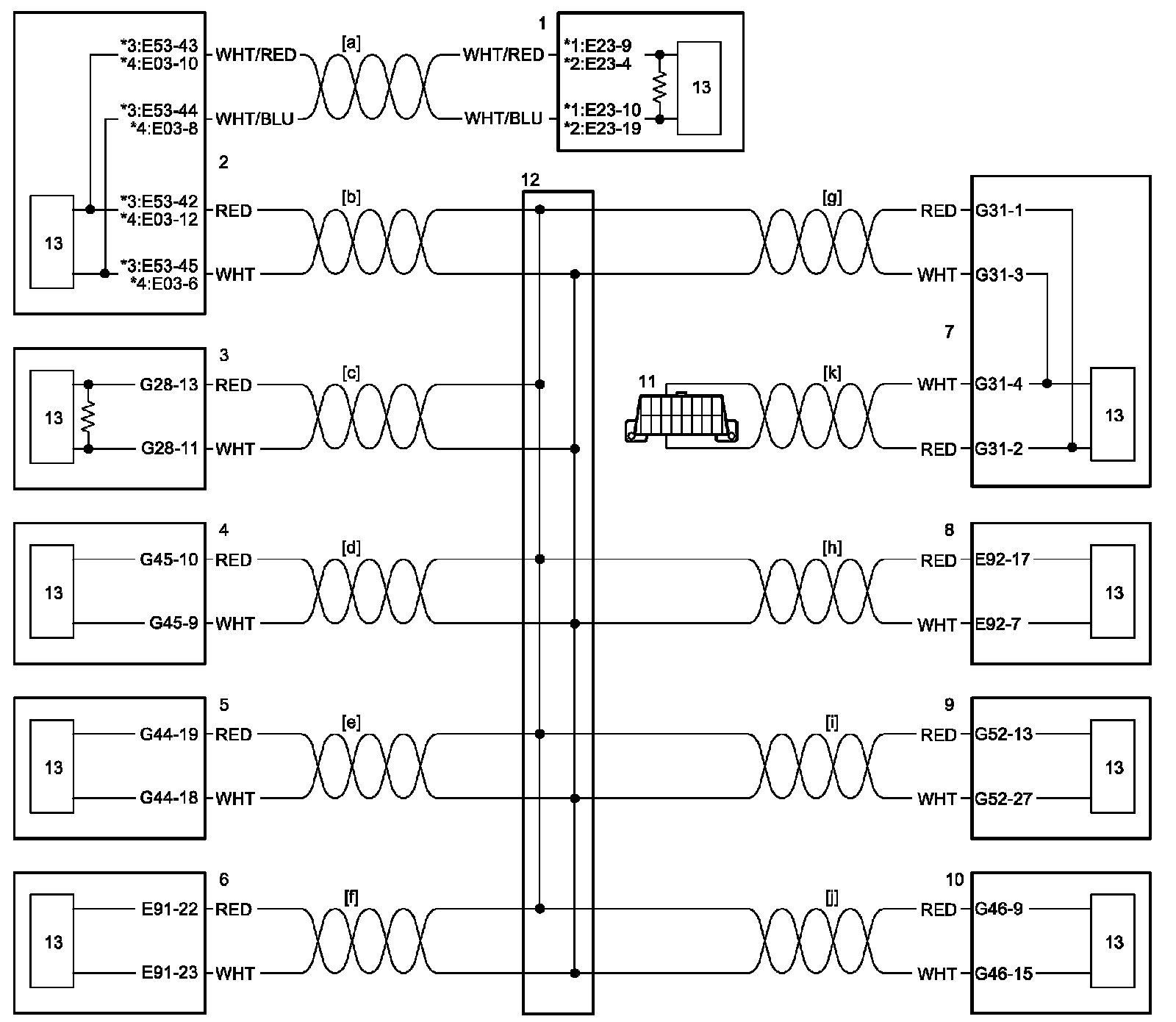
Wiring Diagram

CAN Communication System Circuit Diagram 1:




CAN Communication System Circuit Diagram 2:






Diagnosis Procedure

NOTE: Before executing items in this flow, be sure to perform CAN Communication System Check. CAN Communication System Check

When "CAN Communication Bus Off" is detected in any control modules, or when it is not possible to communicate with any control modules by using SUZUKI scan tool (SUZUKI SDT), perform inspection using the following procedure.

1. Connect SUZUKI scan tool (SUZUKI SDT) and have DTC of ECM displayed to check for communication with ECM. If scan tool fails to communicate with ECM, check SUZUKI scan tool and communication cable, DLC power and ground circuit. If communication is in good condition, proceed on to next Step.
2. Using oscilloscope or oscilloscope function of SUZUKI scan tool (SUZUKI SDT), observe both CAN High terminal (1) and CAN Low terminal (2) for CAN communication signal waveform at DLC on the following condition when ignition switch is at ON position.

Measuring condition










3. Compare observed signal waveform and waveforms given as Reference Waveform. Find the most similar signal waveform and identify the trouble system and trouble nature of the applicable "Reference Waveform".
4. Based on identified trouble system and trouble nature, perform troubleshooting according to Troubleshooting (Advanced Air Bag Model) or Troubleshooting (Non-Advanced Air Bag Model).

Reference Waveform

NOTE:
- Shown below are waveforms observed with oscilloscope function of SUZUKI scan tool (SUZUKI-SDT) as examples for reference.
- Waveforms in "Examples of abnormal waveforms" are picked up as samples among CAN communication waveforms during occurrence of abnormality. However, the same waveform cannot necessarily be observed. Therefore, to identify the content of abnormality, select a waveform which is the most similar to the observed waveform from Examples of abnormal waveforms.

Normal waveform
Reference voltage is 2.5 V (1) for both CAN High signal (2) and CAN Low signal (3). Waveform of CAN High signal is 2.5 - 3.5 V and that of CAN Low signal is 2.5 - 1.5 V. For details, refer to "CAN Communication signal" under CAN Communication System Description.







Reference (50 us time division)







Examples of abnormal waveforms
In case of CAN High signal and/or CAN Low signal wire is shorted to ground circuit Characteristic waveform

- When CAN High signal wire is shorted to ground circuit: [A] Both CAN High signal and CAN Low signal are fixed to GND level (0 V) (1).
- When CAN Low signal wire is shorted to ground circuit: [B] Reference level of both CAN High signal and CAN Low signal is GND level (0 V). Waveform of CAN High signal oscillates irregularly (4) between 0 V and 3 V and that of CAN Low signal is fixed to 0 V (3).







In case of CAN High signal and/or CAN Low signal wire is open Characteristic waveform

- When CAN High signal wire is open: [A] Reference voltage level of CAN High signal and CAN Low signal is unstable and tends to indicate a lower value than in the normal state (2.5 V) (1). Also, waveform of CAN High signal oscillates irregularly (3) but that of CAN Low signal is almost constant (2).
- When CAN Low signal wire is open: [B] Reference voltage level of CAN High signal and CAN Low signal is unstable and tends to indicate a higher value than in the normal state (2.5 V) (4). Also, waveform of CAN High signal is almost constant (5) but that of CAN Low signal oscillates irregularly (6).







In case of CAN High signal and/or CAN Low signal wire is shorted to power supply (12 V) circuit
Characteristic waveform Both CAN High signal and CAN Low signal are fixed to 12 V (2).







In case of CAN High signal and/or CAN Low signal wire is shorted to power supply (5 V) circuit

Characteristic waveform
- When CAN High signal wire is shorted to power supply (5 V) circuit: [A] Reference voltage (1) is 5 V for both CAN High signal and CAN Low signal. Waveform of CAN High signal oscillates irregularly near 5 V (3) and that of CAN Low signal between 5 V and 2 V (4).
- When CAN Low signal wire is shorted to power supply (5 V) circuit: [B] Reference voltage (5) is 5 V and of the same phase for both CAN High signal and CAN Low signal and their waveform oscillates irregularly (6) between 5 V and 2.5 V.







In case of CAN High signal and CAN Low signal wire are shorted each other

Characteristic waveform
Both CAN High signal and CAN Low signal are fixed to near 2.5 V (1).







Troubleshooting (Advanced Air Bag Model)
Perform inspection according to the following troubleshooting procedure.

NOTE:
- When performing "Communication Bus Check" using SUZUKI scan tool (SUZUKI-SDT) in each step of this troubleshooting, use the following table to determine whether the control module is in good condition or not. Also, while performing "Communication Bus Check", do not perform any work other than instructed in this troubleshooting. Or, it may occur that display of control module / sensor on SUZUKI-SDT screen and/or its background color may change.






- Check vehicle specifications and comprehend yourself with installed control modules before inspection. Then, perform troubleshooting procedure.

Step 1:




Step 1 (Continued)-4:




Step 4 (Continued)-8:




Step 8 (Continued)-11:




Step 11 (Continued)-13:






Troubleshooting (Non-Advanced Air Bag Model)
Perform inspection according to the following troubleshooting procedure.

NOTE:
- When performing "Communication Bus Check" using SUZUKI scan tool (SUZUKI-SDT) in each step of this troubleshooting, use the following table to determine whether the control module is in good condition or not. Also, while performing "Communication Bus Check", do not perform any work other than instructed in this troubleshooting. Or, it may occur that display of control module / sensor on SUZUKI-SDT screen and/or its background color may change.






- Check vehicle specifications and comprehend yourself with installed control modules before inspection. Then, perform troubleshooting procedure.


Step 1:




Step 1 (Continued)-4:




Step 4 (Continued)-6:




Step 6 (Continued)-10:




Step 10 (Continued)-11: