Curiosii for ever!
: Car repair manuals for everyone.
Home
>>
Suzuki Truck
>>
2010
>>
Equator 4WD V6-4.0L
>>
Repair and Diagnosis
>>
Transmission and Drivetrain
>>
Transfer Case
>>
Service and Repair
>>
Removal and Replacement
>>
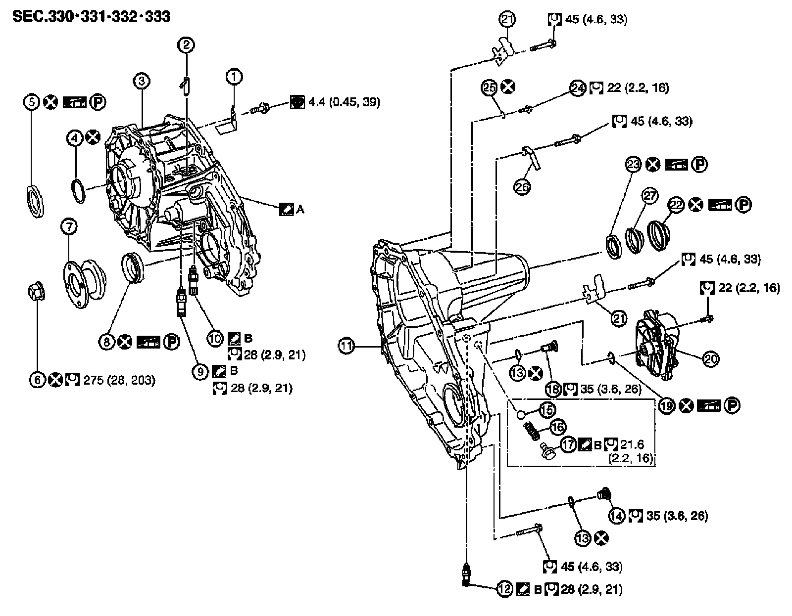
Transfer Assembly Exploded View
Transfer Assembly Exploded View
Transfer Assembly: Exploded View
Components