Curiosii for ever!
: Car repair manuals for everyone.
Home
>>
Suzuki Truck
>>
2010
>>
Equator 2WD V6-4.0L
>>
Repair and Diagnosis
>>
Diagrams
>>
Electrical Diagrams
>>
Powertrain Management
>>
Computers and Control Systems
>>
Body Control Module
Body Control Module
BCM
: Wiring Diagram
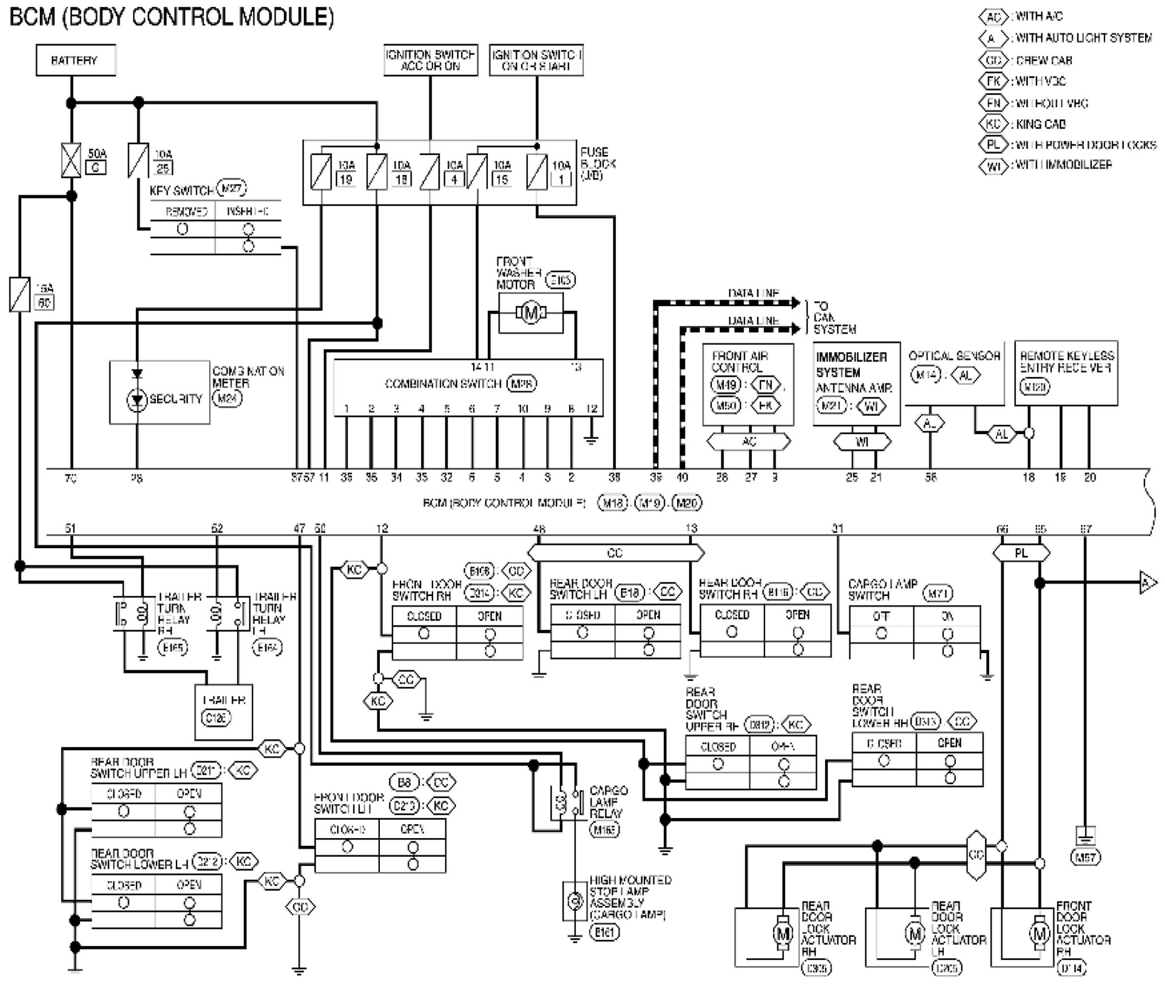
BCM (Body Control Module) (Part 1):
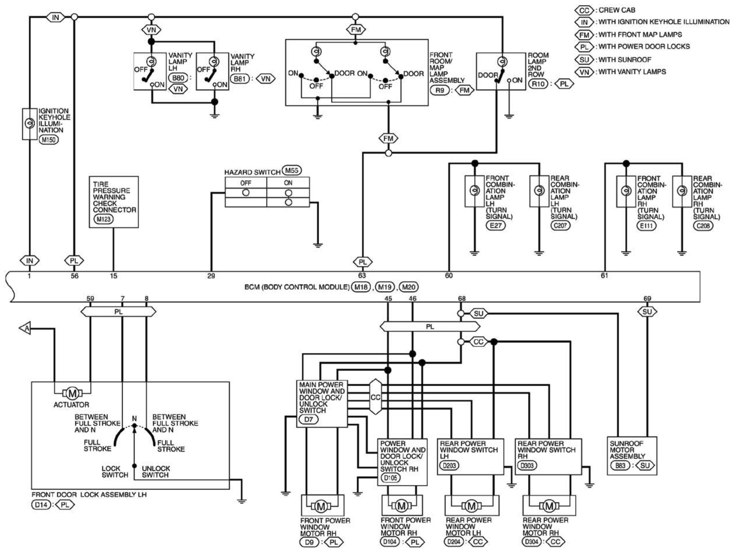
BCM (Body Control Module) (Part 2):
BCM
9Body Control Module) Connectors
BCM (Body Control Module) Connectors (Part 1):
BCM (Body Control Module) Connectors (Part 2):