Curiosii for ever!
: Car repair manuals for everyone.
Home
>>
Suzuki Truck
>>
2009
>>
Equator 2WD V6-4.0L
>>
Repair and Diagnosis
>>
Diagrams
>>
Exploded Views
>>
Automatic Transmission/Transaxle
>>
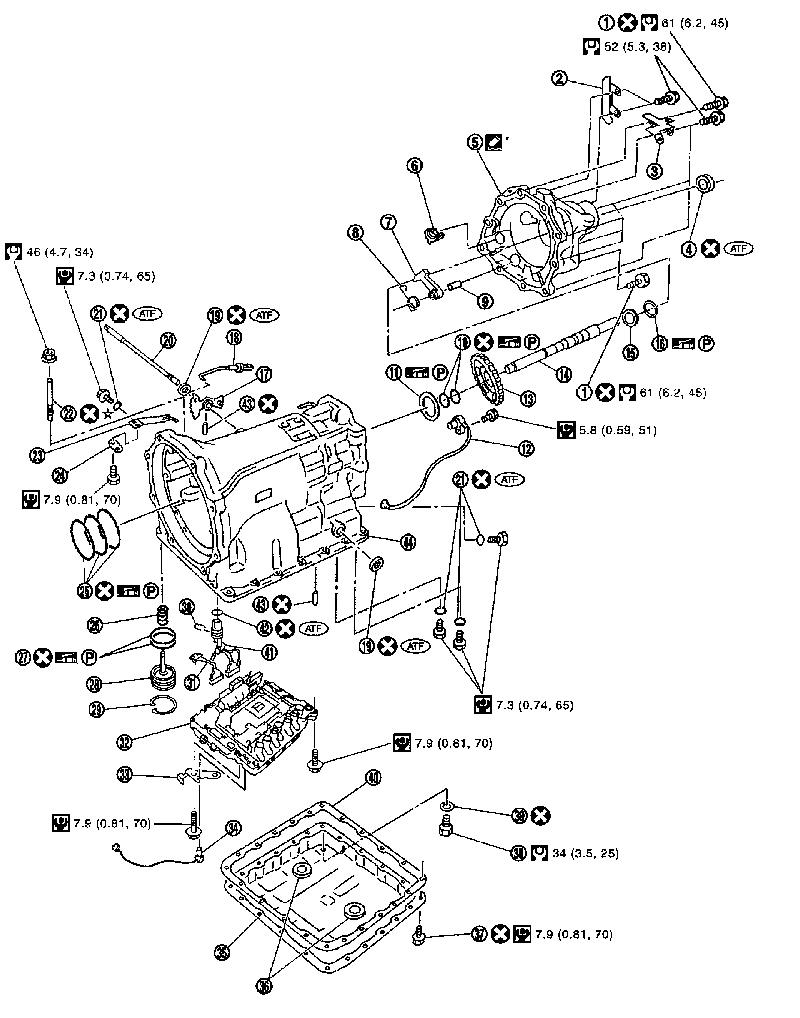
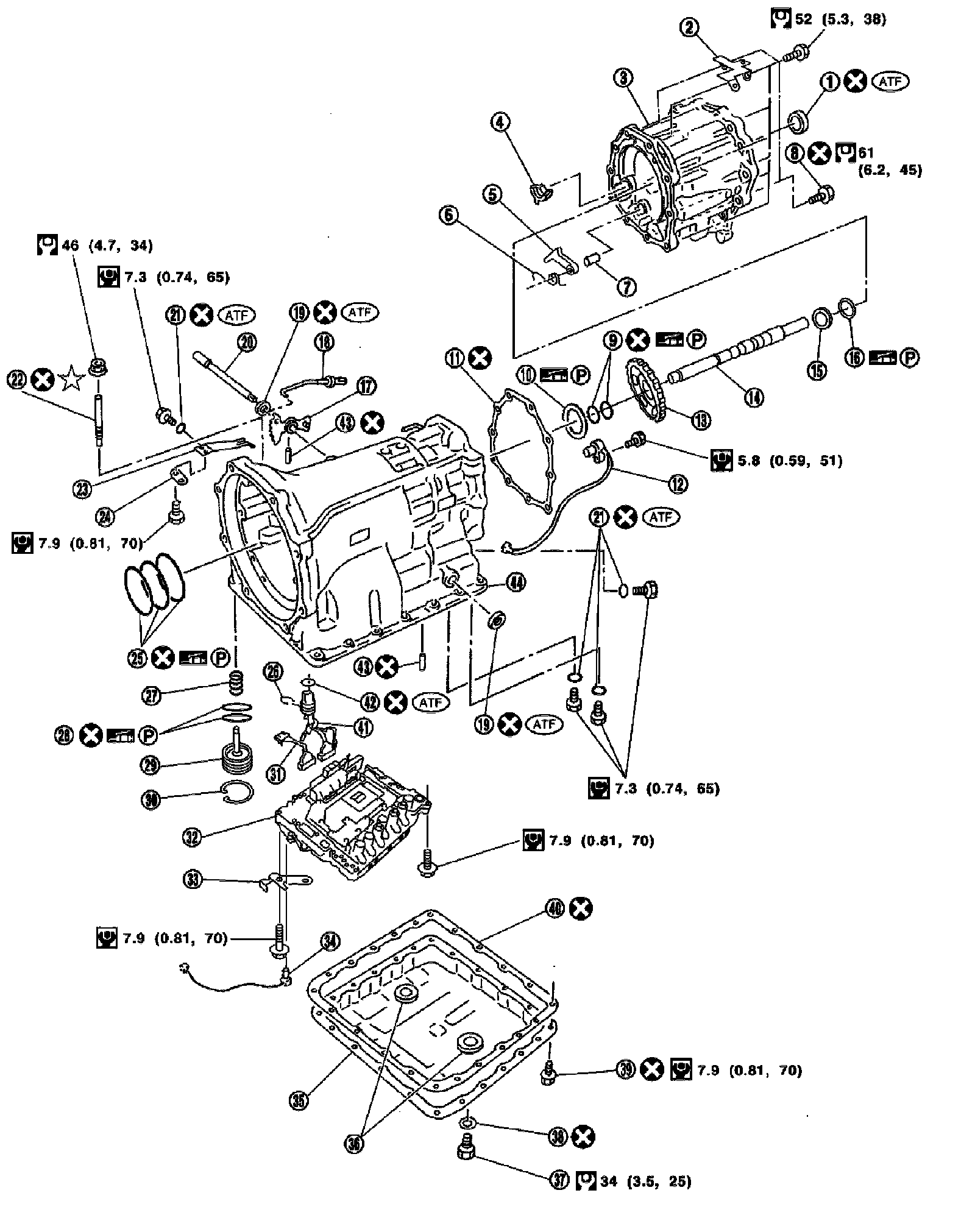
Transmission Assembly Exploded View
Transmission Assembly Exploded View
Transmission Assembly Exploded View
QR25DE models
VQ40DE models
2WD Models
4WD Models