Curiosii for ever!: Car repair manuals for everyone.

Starting System: Description and Operation

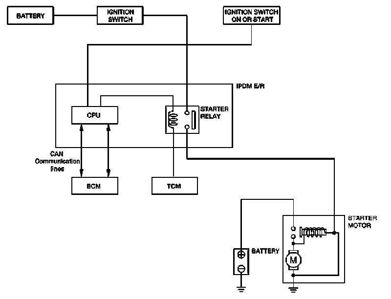
Starting System: System Description [A/T]

The starter motor plunger closes and provides a closed circuit between the battery and the starter motor. The starter motor is grounded to the cylinder block. With power and ground supplied, the starter motor operates.

Starting System: Component Description [A/T]






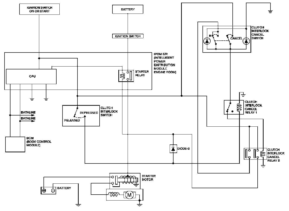
Starting System: System Description [M/T with Clutch Interlock Cancel System]

The clutch interlock (clutch start) switch allows for starting the engine without depressing the clutch pedal by bypassing the clutch interlock switch. The clutch interlock system is canceled once the ignition switch is turned OFF. Once the clutch interlock system is activated, the starter motor plunger closes and provides a closed circuit between the battery and the starter motor. The starter motor is grounded to the cylinder block. With power and ground supplied, the starter motor operates.

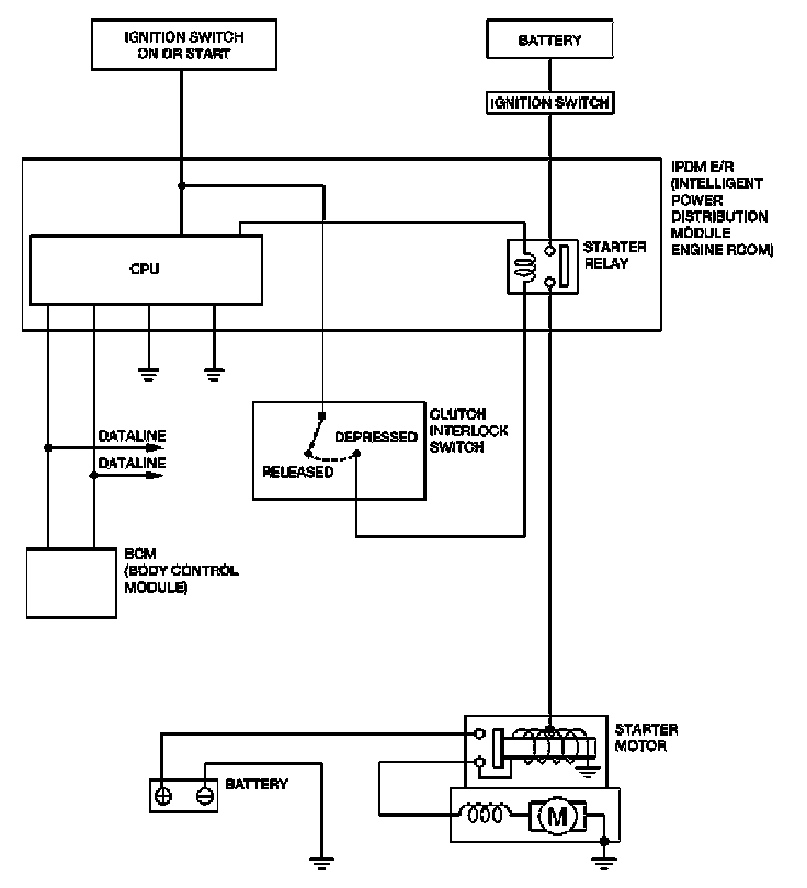
Starting System: System Description [M/T without Clutch Interlock Cancel System]

The starter motor plunger closes and provides a closed circuit between the battery and the starter motor. The starter motor is grounded to the cylinder block. With power and ground supplied, the starter motor operates.

Starting System: Component Description [M/T with Clutch Interlock Cancel System]






Starting System: Component Description [M/T without Clutch Interlock Cancel System]






Starting System: System Diagram [A/T]






Starting System: System Diagram [M/T with Clutch Interlock Cancel System]






Starting System: System Diagram [M/T without Clutch Interlock Cancel System]