Curiosii for ever!: Car repair manuals for everyone.

Electrical Diagrams

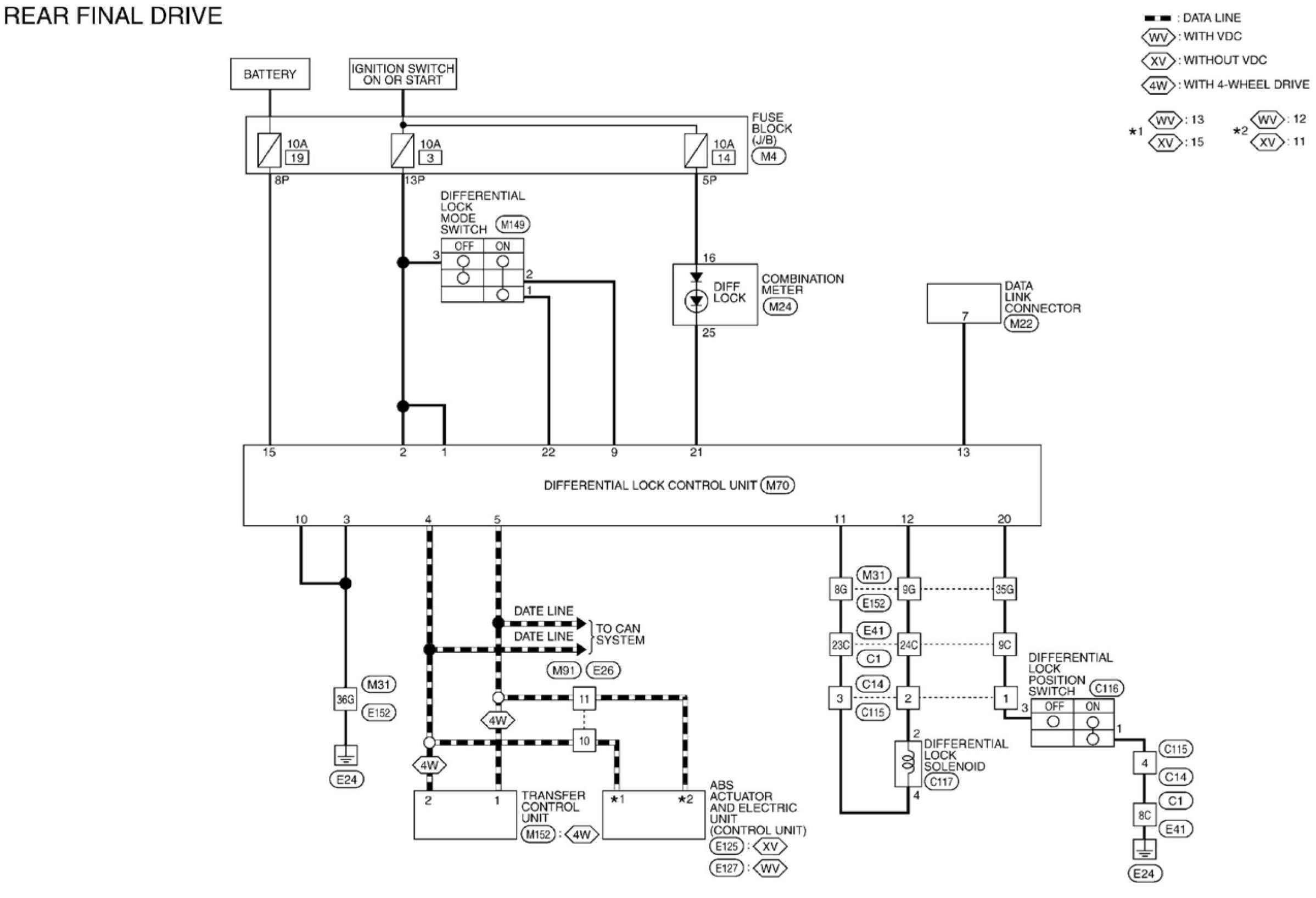
Differential Lock Control Unit: Wiring Diagram

Rear Final Drive

Rear Final Drive:






Rear Final Drive Connectors

Rear Final Drive Connectors (Part 1):




Rear Final Drive Connectors (Part 2):




Rear Final Drive Connectors (Part 3):




Rear Final Drive Connectors (Part 4):




Rear Final Drive Connectors (Part 5):