Curiosii for ever!: Car repair manuals for everyone.

Heater Core: Service and Repair

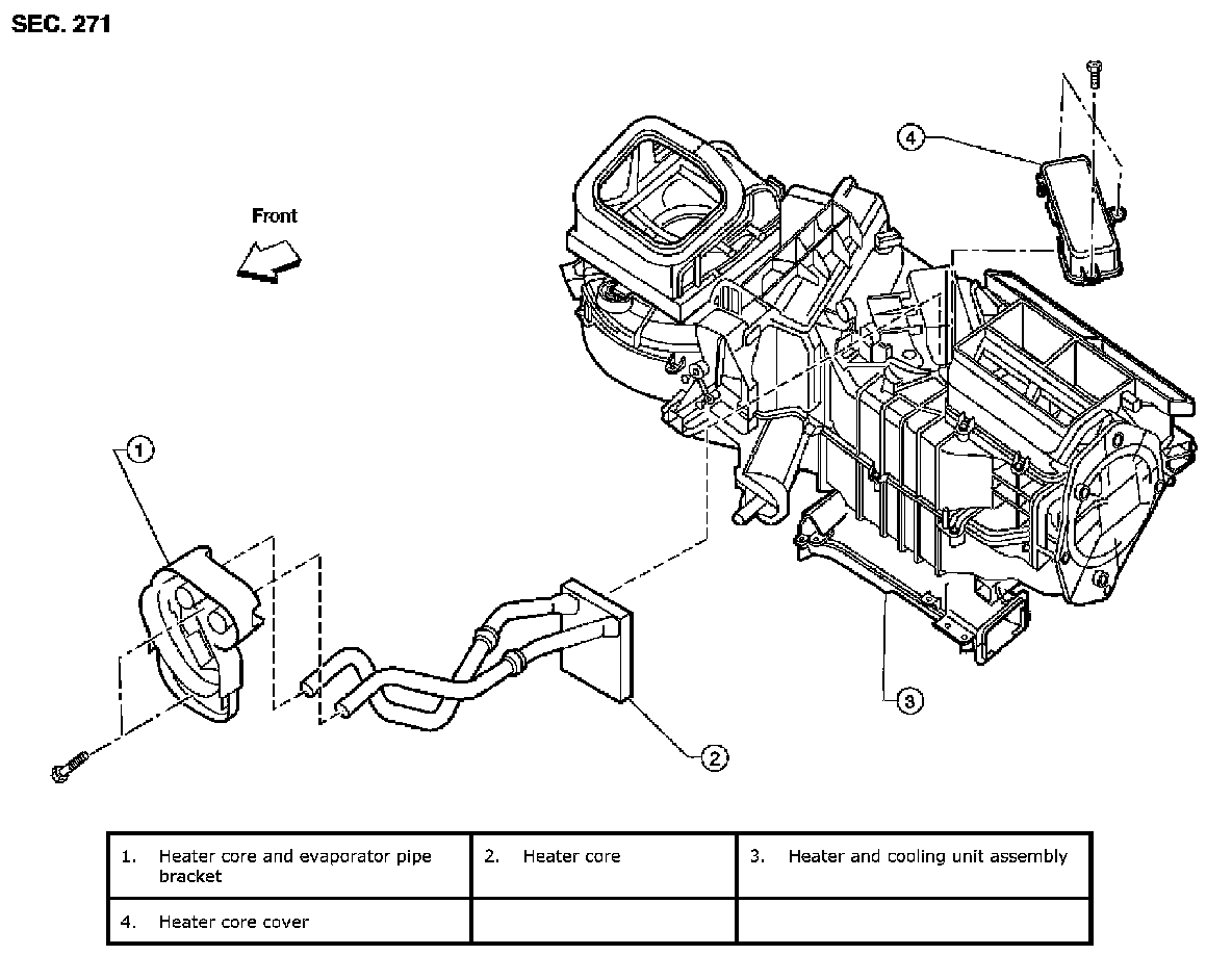
Heater Core: Component

Heater and Cooling Unit Assembly






Heater Core: Removal and Installation

REMOVAL

1. Remove the heater and cooling unit assembly. Refer to [Heater & Cooling Unit Assembly: Component].
2. Remove the three screws and remove the heater core cover.
3. Remove the heater core and evaporator pipe bracket.
4. Remove the heater core.

NOTE: If the in-cabin microfilters are contaminated from coolant leaking from the heater core, replace the in-cabin microfilters with new ones before installing the new heater core.

INSTALLATION
Installation is in the reverse order of removal.