Curiosii for ever!: Car repair manuals for everyone.

IPDM E/R (Intelligent Power Distribution Module Engine Room)

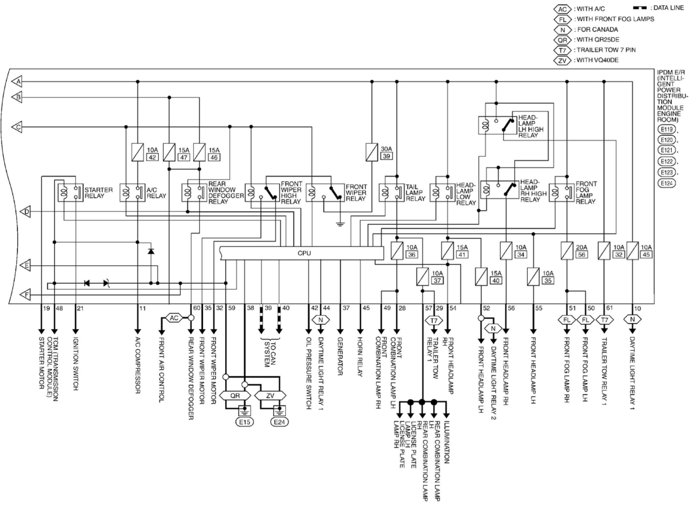
IPDM E/R (Intelligent Power Distribution Module Engine Room): Wiring Diagram

IPDM E/R (Intelligent Power Distribution Module Engine Room) (Part 1):




IPDM E/R (Intelligent Power Distribution Module Engine Room) (Part 2):






IPDM E/R (Intelligent Power Distribution Module Engine Room) Connectors

IPDM E/R (Intelligent Power Distribution Module Engine Room) Connectors (Part 1):




IPDM E/R (Intelligent Power Distribution Module Engine Room) Connectors (Part 2):




IPDM E/R (Intelligent Power Distribution Module Engine Room) Connectors (Part 3):