Curiosii for ever!: Car repair manuals for everyone.

Electronic Shift Control Input / Output Table

Electronic Shift Control Input / Output Table

Electronic Shift Control Input / Output Table (part 1 ):




Electronic Shift Control Input / Output Table (part 12):





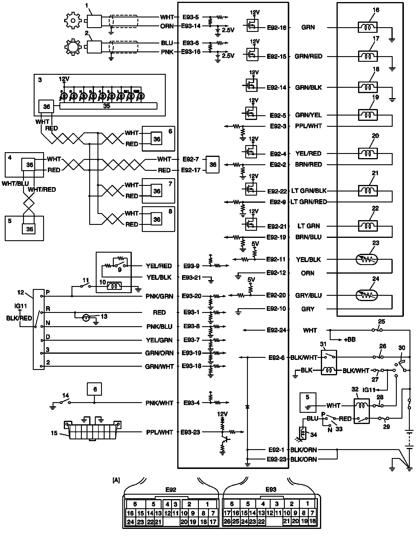
Electronic Shift Control System Wiring Diagram

Wiring Diagram:








Operation of Shift Solenoids and TCC Solenoid

Operation of Shift Solenoids and TCC Solenoid: