Curiosii for ever!: Car repair manuals for everyone.

No DTC Detection After Performing DTC Check

No DTC Detection After Performing DTC Check

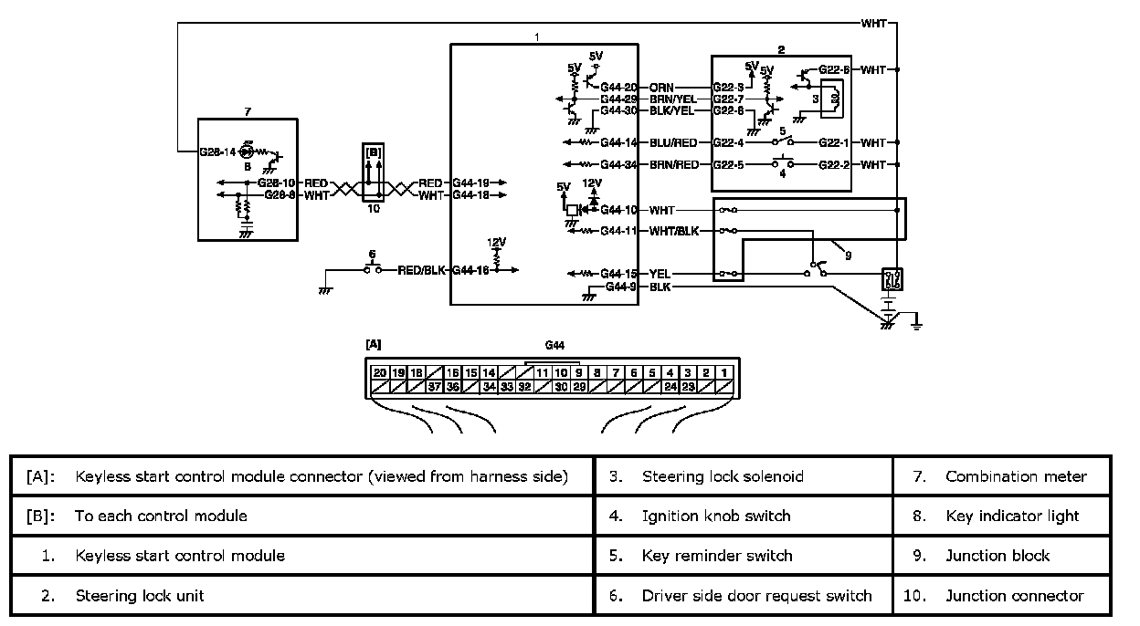
Wiring Diagram:




Wiring Diagram

Description
The keyless start control module detects DTC by using signals from the key reminder and driver side door request switches. The keyless start control module makes the key indicator light in the combination meter flash on and off by using CAN communication.

Step 1-5:




Troubleshooting