Curiosii for ever!: Car repair manuals for everyone.

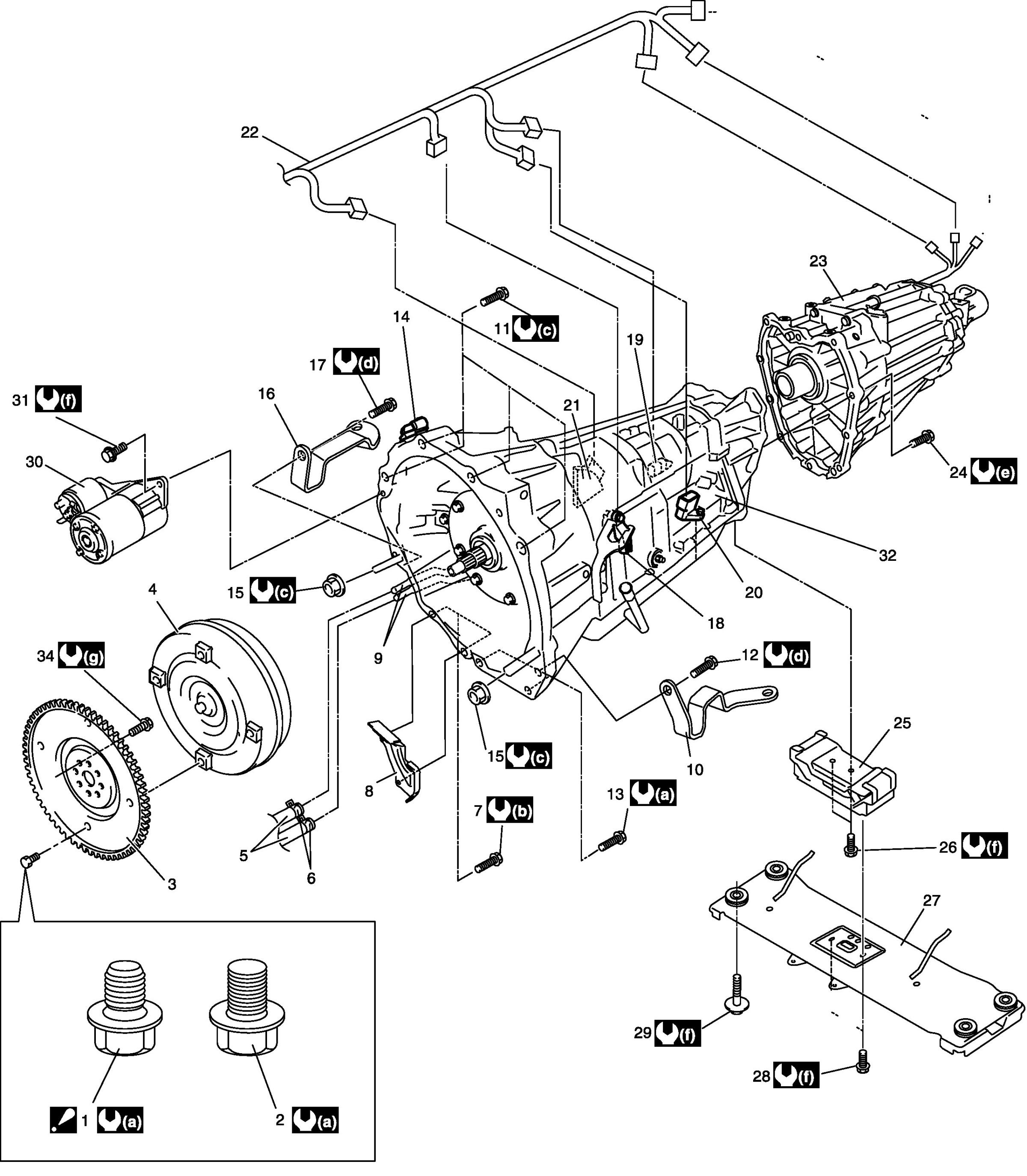
Automatic Transmission Unit Components

Automatic Transmission Unit Components (part 1):



Automatic Transmission Unit Components (part 2):



Automatic Transmission Unit Components (part 3):



Automatic Transmission Unit Components (part 4):



Automatic Transmission Unit Components (part 1):



Automatic Transmission Unit Components (part 2):