Curiosii for ever!
: Car repair manuals for everyone.
Home
>>
Suzuki Truck
>>
2007
>>
Grand Vitara 2WD V6-2.7L
>>
Repair and Diagnosis
>>
Powertrain Management
>>
Computers and Control Systems
>>
Fuel Level Sensor
>>
Locations
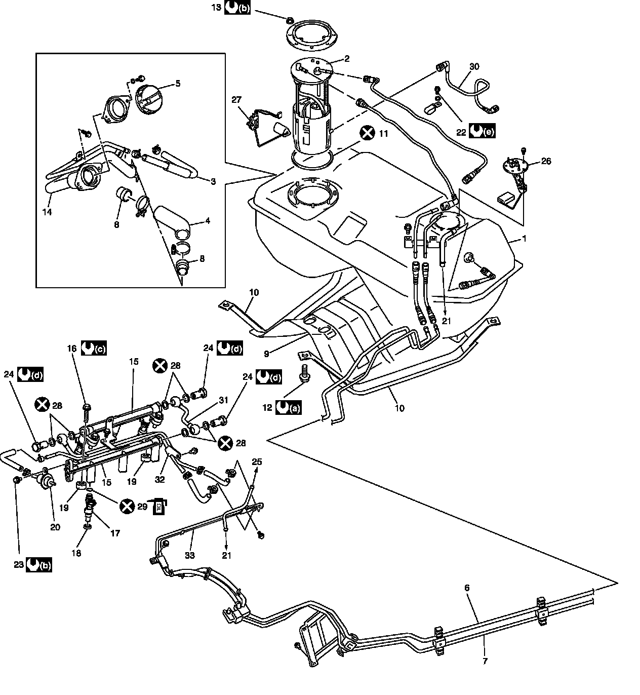
Fuel Level Sensor: Locations
Fuel System Components Part 1:
Fuel System Components Part 2: