Curiosii for ever!
: Car repair manuals for everyone.
Home
>>
Suzuki Truck
>>
2007
>>
Grand Vitara 2WD V6-2.7L
>>
Repair and Diagnosis
>>
Diagrams
>>
Exploded Views
>>
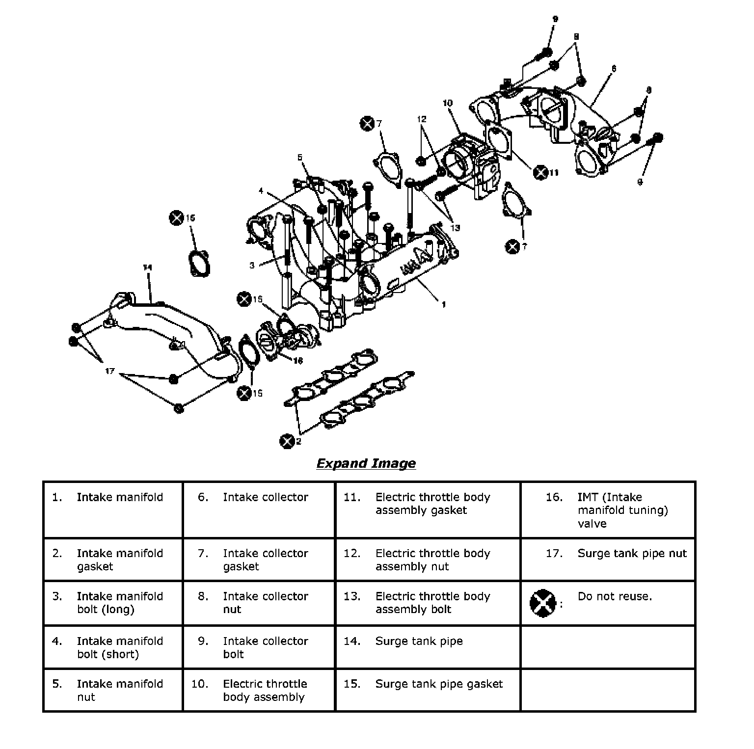
Intake Manifold
Intake Manifold
Intake Collector and Intake Manifold Components: