Curiosii for ever!
: Car repair manuals for everyone.
Home
>>
Suzuki Truck
>>
2006
>>
XL-7 2WD V6-2.7L
>>
Repair and Diagnosis
>>
Powertrain Management
>>
Computers and Control Systems
>>
Data Link Connector
>>
Locations
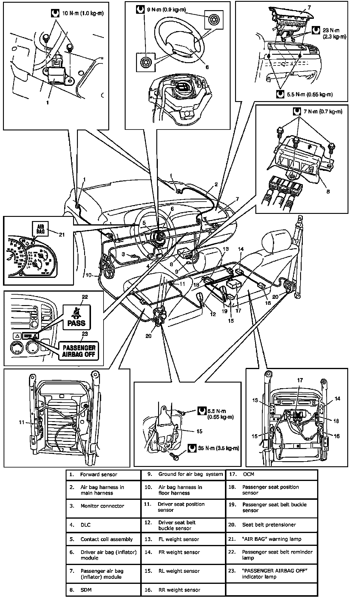
Data Link Connector: Locations