Curiosii for ever!
: Car repair manuals for everyone.
Home
>>
Suzuki Truck
>>
2002
>>
XL-7 Plus 2WD V6-2.7L
>>
Repair and Diagnosis
>>
Diagrams
>>
Exploded Views
>>
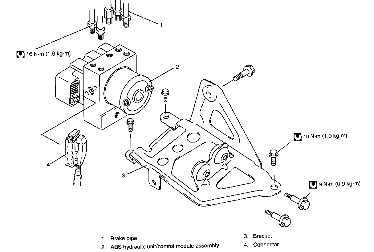
Hydraulic Assembly, Traction Control
Hydraulic Assembly, Traction Control