Curiosii for ever!: Car repair manuals for everyone.

Transmission Position Sensor/Switch: Testing and Inspection

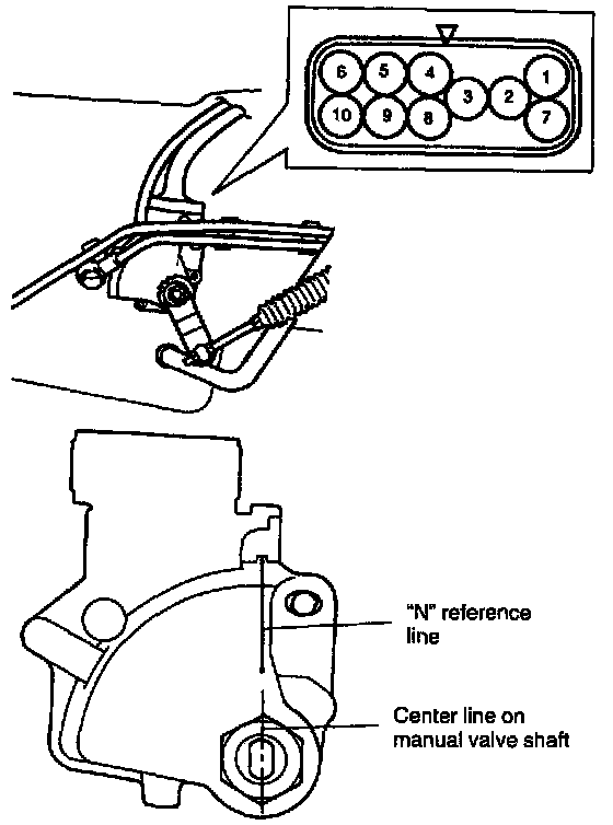
INSPECTION & ADJUSTMENT





1. Shift select lever to "N" range.
2. Check that center line on manual valve shaft and "N" reference line on switch are aligned. If not, loosen switch bolt and align them.
3. Check that engine starts in "N" and "P" ranges but it doesn't start in "D", "2", "L" or "R" range. Also, check that back-up lamp lights in "R" range.





4. If faulty condition cannot be corrected by adjustment, disconnect transmission range switch coupler and check that continuity exists as shown by moving select lever.