Curiosii for ever!
: Car repair manuals for everyone.
Home
>>
Suzuki Truck
>>
2000
>>
Vitara JS (4Dr) 2WD L4-2.0L
>>
Repair and Diagnosis
>>
Diagrams
>>
Exploded Views
>>
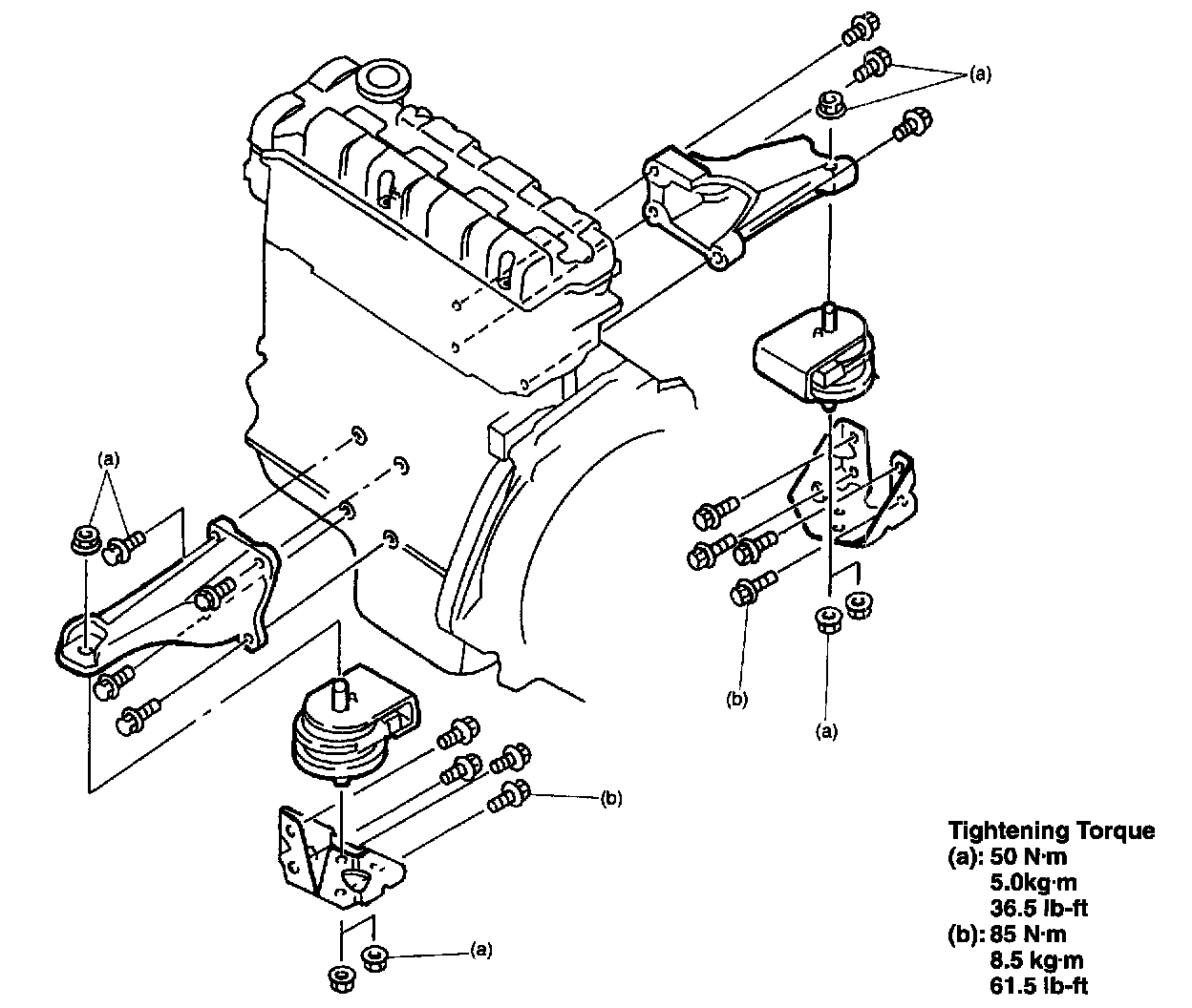
Engine Mount
Engine Mount