Curiosii for ever!
: Car repair manuals for everyone.
Home
>>
Suzuki Truck
>>
1999
>>
Grand Vitara JS Plus 2WD V6-2.5L
>>
Repair and Diagnosis
>>
Diagrams
>>
Exploded Views
>>
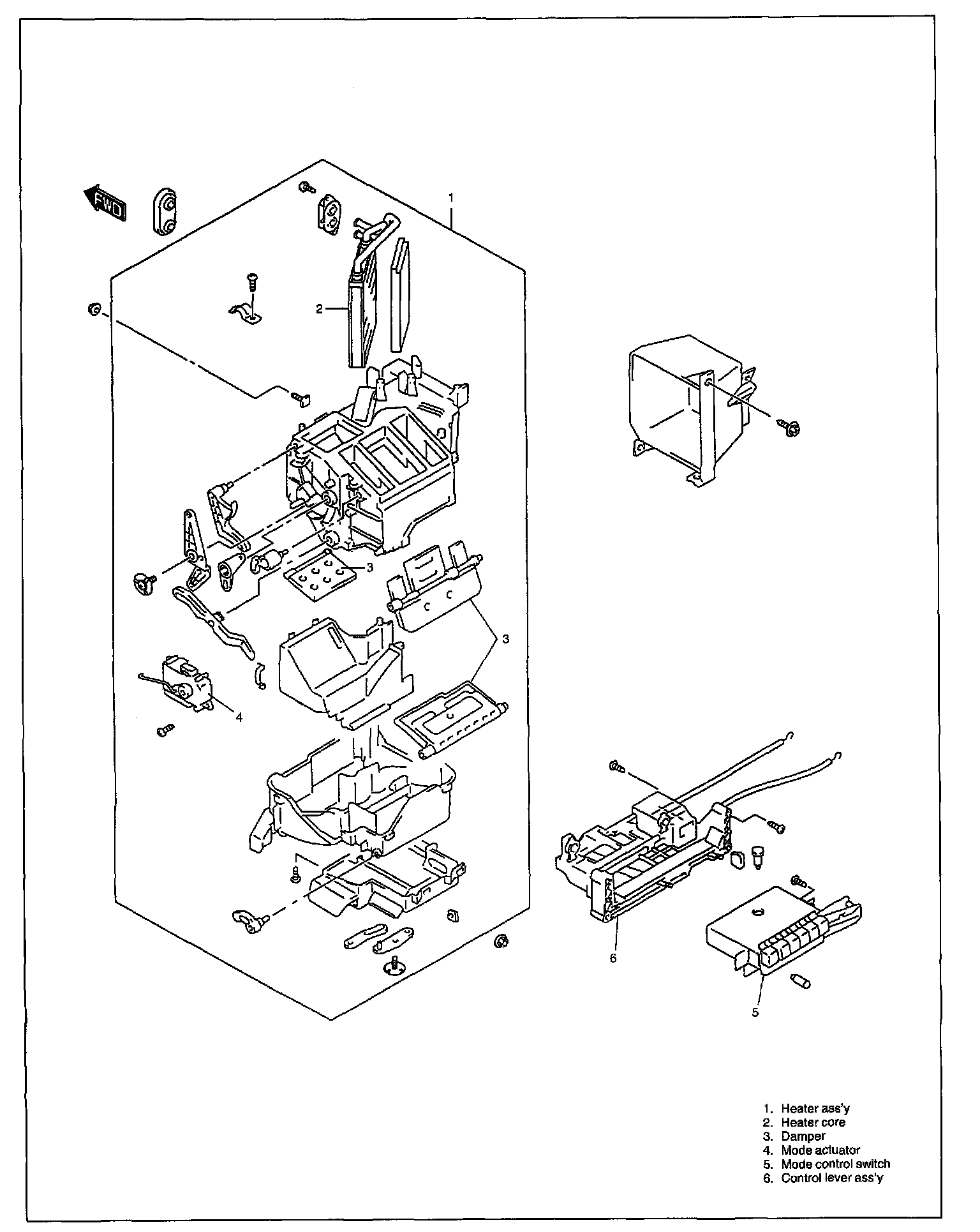
Heater Core Case
Heater Core Case
Heater Unit: