Curiosii for ever!: Car repair manuals for everyone.

Electronic Control System

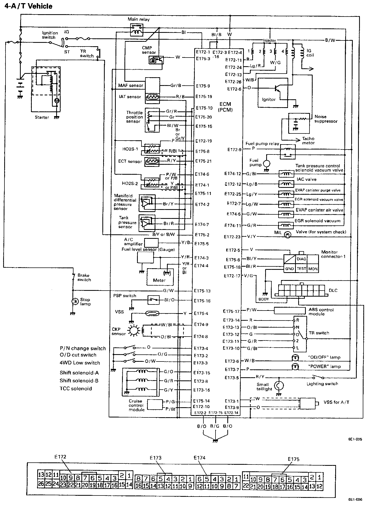
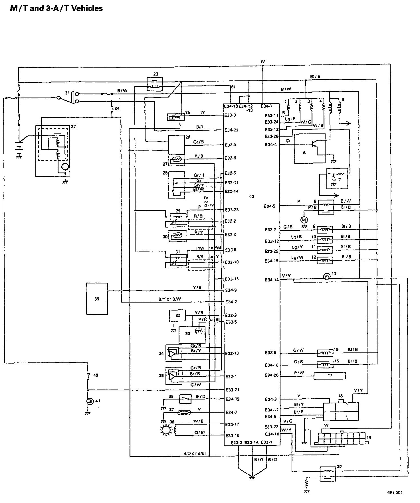
ELECTRONIC CONTROL SYSTEM
The electronic control system consists of 1) various sensors which detect the state of engine and driving conditions, 2) ECM (PCM) which controls various devices according to the signals from the sensors and 3) various controlled devices.

Functionally, it is divided into the following sub systems:
- Fuel injection control system
- Heated oxygen sensor heater control system
- Idle air control system
- Fuel pump control system
- Evaporative emission control system
- IC (Ignition Control) system
- EGR system
- TCC relay control system (3 A/T vehicle)
- A/T control system (4 A/T vehicle)


















M/T and 3-A/T vehicles













4-A/T vehicles