Curiosii for ever!: Car repair manuals for everyone.

Electronic Brake Control Module: Service and Repair

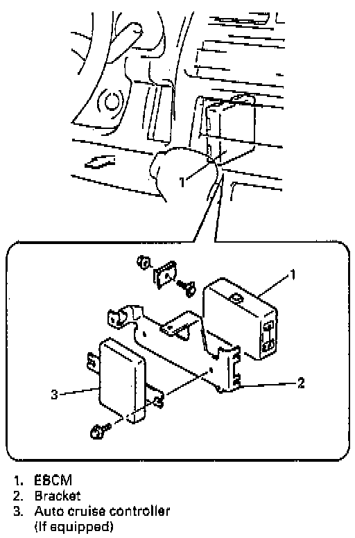
CAUTION: As Electronic Brake Control Module (EBCM) has many delicate parts, be careful not to subject it to excessive shock.

REMOVAL





1) Disconnect battery negative cable from battery.
2) Remove steering column hole cover.
3) Remove auto cruise controller (If equipped).





4) Disconnect Electronic Brake Control Module (EBCM) connectors.
5) Remove EBCM with bracket.

INSTALLATION
Install parts in reverse order of Removal procedure.