Curiosii for ever!: Car repair manuals for everyone.

Clutch Switch: Service and Repair

Clutch Switch

REMOVAL

1) Disconnect the ground cable from battery.
2) Remove the cover assembly - instrument panel LWR driver.
3) Disconnect the connector of clutch switch.
4) Remove the clutch switches.

INSTALLATION

CLUTCH SWITCH

1) Move the clevis pin of push rod to left and right, retain it at the position where it moves smoothly, and measure the clutch pedal stroke.

Clutch pedal full stroke A:
130 - 135 mm (5.12 - 5.31 in)
Tightening torque:
T: 8 Nm (0.8 kgf-m, 5.9 ft-lb)





2) If the clutch pedal stroke is out of specification, adjust the stroke.
3) Connect the clutch switch connector.

CLUTCH START SWITCH

1) Remove the snap pin and clevis pin connecting the clutch pedal and operating rod.





2) Install the clutch start switch so that the clutch switch turns on when the clearance between clutch pedal stopper and clutch pedal is within the specification described below.

Clearance A:
6.3 - 8.6 mm (0.25 - 0.34 in)

Tightening torque:
8 Nm (0.8 kgf-m, 5.9 ft-lb)





NOTE:
^ Using a plate of the same thickness for the clearance facilitates the adjustment operation.
^ Using the Subaru Select Monitor or a tester, check the position where the switch turns on.
Check the following figure for the terminal layout of the harness connector.





^ When performing adjustment by the clearance between clutch start switch and clutch pedal plate, perform installation according to the following gap.

Clearance B:
8.6 - 9.0 mm (0.34 - 0.35 in)





3) Connect the clutch start switch connector.
4) Make sure that engine does not start with clutch pedal not depressed.
5) Make sure that engine starts with clutch pedal depressed.

INSPECTION

CLUTCH START SWITCH

1) Perform the following inspections. If the clutch start switch does not operate normally, adjust the switch, and check it again.
^ Make sure that engine does not start with clutch pedal not depressed.
^ Make sure that engine starts with clutch pedal fully depressed.
2) When the clutch start switch does not operate normally even if it is adjusted, check the clutch start switch for continuity.
(1) Remove the clutch start switch.
(2) Measure the resistance between terminal 1 and 2 of the switch. If the resistance is not at the standard value, replace the switch.








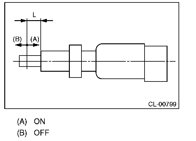
(3) Check that the switch is turned on and off in Dimension L.

Dimension L:
9 - 10 mm (0.35 - 0.39 in)





CLUTCH SWITCH

1) Check the clutch switch for continuity.
(1) Disconnect the connector of clutch switch.
(2) Measure the resistance between terminal 1 and 2 of the switch. If the resistance is not within the specification, inspect the clutch stroke and its installing condition, and check again.








2) If the operation is not normal even when the clutch stroke and its installing condition is normal, check the continuity of the clutch switch.
(1) Remove the clutch switches.
(2) Measure the resistance between terminal 1 and 2 of the switch. If the resistance is not at the standard value, replace the switch.








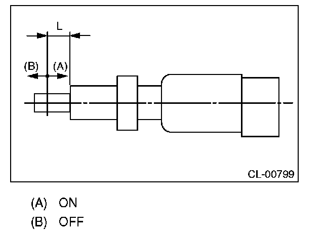
(3) Check that the switch changes between ON/OFF within L dimension.

L dimension:
5 - 6.5 mm (0.2 - 0.26 in)





ADJUSTMENT

1) Loosen the lock nut of the clutch start switch.





2) Disconnect the harness connector of the clutch start switch.
3) Remove the snap pin and clevis pin connecting the clutch pedal and operating rod.





4) Adjust the clutch start switch so that the switch turns on when the clearance between clutch pedal stopper and clutch pedal is within the specification described below, and then tighten the lock nut.

Clearance A:
6.3 - 8.6 mm (0.25 - 0.34 in)

Tightening torque:
8 Nm (0.8 kgf-m, 5.9 ft-lb)





NOTE:
^ Using a plate of the same thickness for the clearance facilitates the adjustment operation.
^ Using the Subaru Select Monitor or a tester, check the position where the switch turns on.
Check the following figure for the terminal layout of the harness connector.





^ When performing adjustment by the clearance between clutch start switch and clutch pedal plate, perform installation according to the following gap.

Clearance B:
8.6 - 9.0 mm (0.34 - 0.35 in)





5) Connect the clutch start switch connector.