Curiosii for ever!: Car repair manuals for everyone.

Brake Light Switch: Service and Repair

Stop Light Switch

REMOVAL

1) Disconnect the ground cable from battery.
2) Remove the instrument panel lower cover.
(1) Remove the clips, and remove the instrument panel side cover LH.





(2) Remove the clips and data link connector, and remove the instrument panel lower cover under.





(3) Remove the bolts, and remove the knee guard panel.





(4) Remove the screws and clips and release the claws, and remove the instrument panel lower cover while disconnecting the harness connectors.





3) Remove the stop light switch.
(1) Disconnect the stop light switch connector (a).
(2) Remove the nut (b), and remove the stop light switch.





INSTALLATION

1) Install the stop light switch onto the bracket with screws and position it with the nut.
2) Adjust the stop light switch position, and then tighten the nut.
3) Install each part in the reverse order of removal.

Tightening torque:
Stop light switch: 8 Nm (0.82 kgf-m, 5.9 ft-lb)

INSPECTION

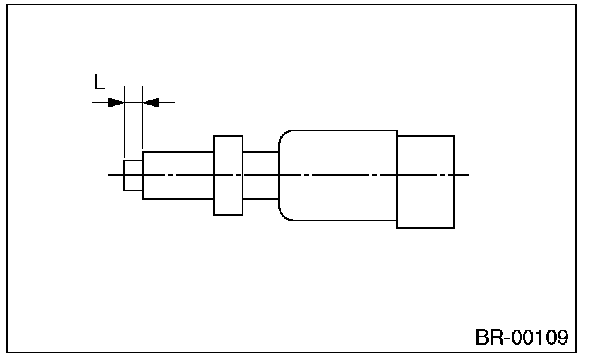
CHECK SPECIFIED POSITION

1) If the stop light switch does not operate properly or if it is not secured at the specified position, replace with a new part.

Specified position L:
2.8 mm+1.5 mm -0 mm (0.11 in+0.06 in -0 in)





2) Measure the clearance between the threaded end of the stop light switch and the stopper.

CAUTION:
Be careful not to rotate the stop light switch.

Stop light switch clearance A:
0.8 mm (0.031 in)





3) Adjust the position of the stop light switch if the inspection result is not within the standard value.

CHECK RESISTANCE

1) Disconnect the stop light switch connector.
2) Measure the resistance between stop light switch terminals.
Preparation tool: Circuit tester








3) Replace the stop light switch if the inspection result is not within the standard value.

ADJUSTMENT

1) Loosen the lock nut, and adjust the stop light switch position until the clearance (A) between the threaded end of the stop light switch and stopper becomes 0.8 mm (0.031 in). Then, tighten the lock nut.
2) Tighten the lock nut.