Curiosii for ever!: Car repair manuals for everyone.

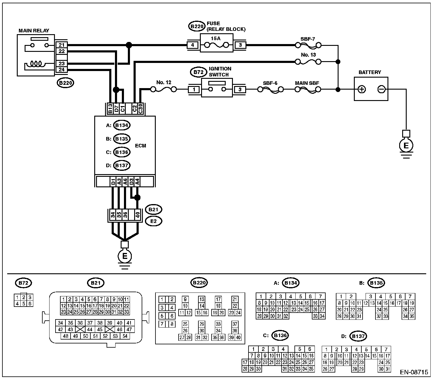
Check Power Supply and Ground Line of Engine Control Module (ECM)

CHECK POWER SUPPLY AND GROUND LINE OF ENGINE CONTROL MODULE (ECM)

CAUTION: After servicing or replacing faulty parts, perform Clear Memory Mode Clear Memory Mode and Inspection Mode Preparation For The Inspection Mode

WIRING DIAGRAM: