Curiosii for ever!
: Car repair manuals for everyone.
Home
>>
Subaru
>>
2012
>>
Impreza WRX F4-2.5L DOHC Turbo
>>
Repair and Diagnosis
>>
Powertrain Management
>>
Computers and Control Systems
>>
Testing and Inspection
>>
Symptom Related Diagnostic Procedures
>>
Communication For Initializing Impossible
Communication For Initializing Impossible
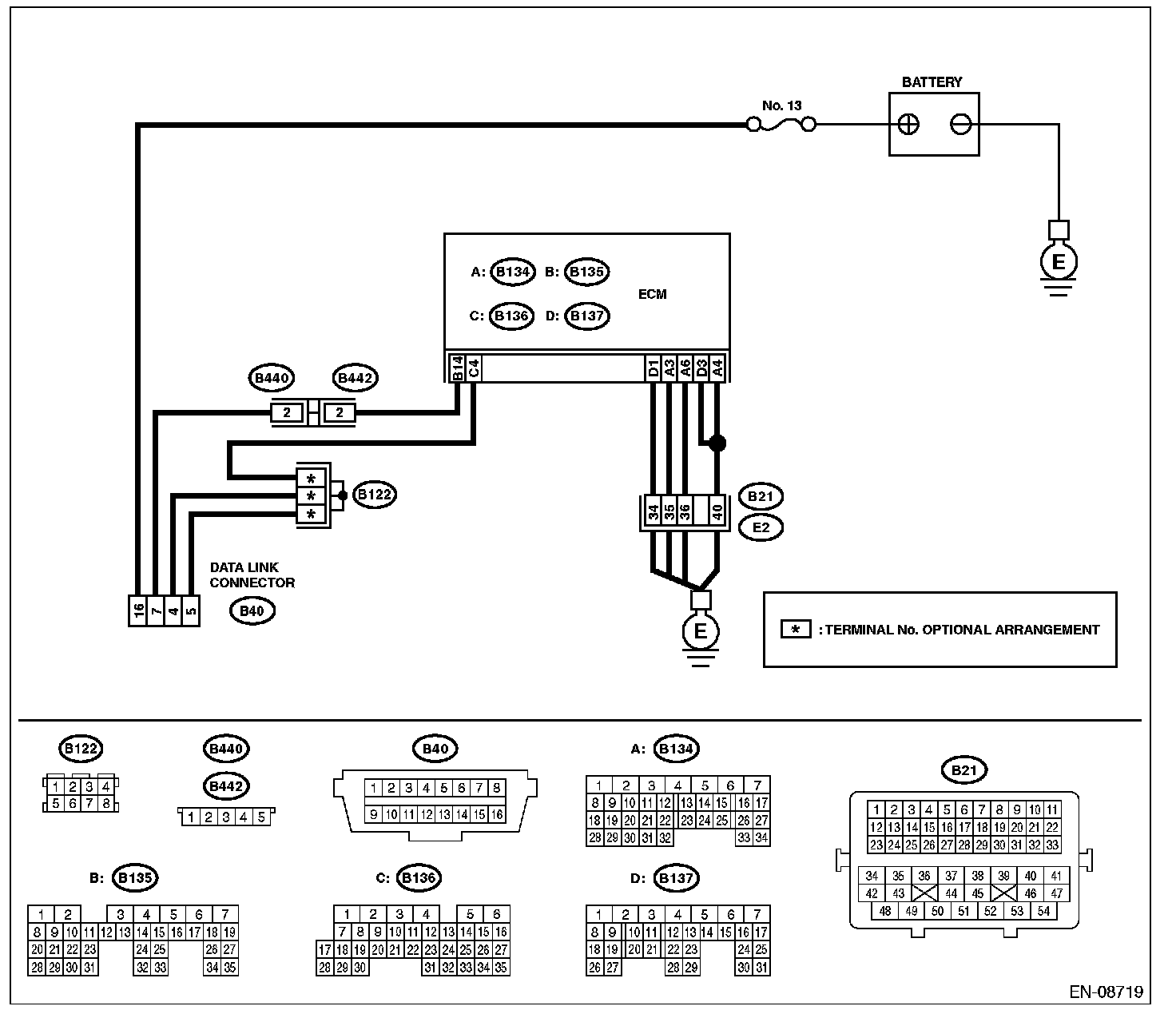
COMMUNICATION FOR INITIALIZING IMPOSSIBLE
DIAGNOSIS:
Open or short circuit in data link connector
TROUBLE SYMPTOM:
Subaru Select Monitor communication failure
WIRING DIAGRAM: