Curiosii for ever!: Car repair manuals for everyone.

Electronic Throttle Actuator Relay: Testing and Inspection

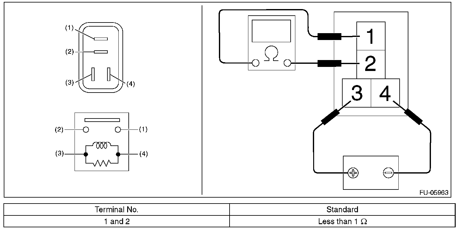
ELECTRONIC THROTTLE CONTROL RELAY

INSPECTION

1. Check that the electronic throttle control relay has no deformation, cracks or other damages.
2. Measure the resistance between electronic throttle control relay terminals.






3. Connect battery positive terminal to terminal No. 3 and battery ground terminal to terminal No. 4, and measure the resistance between the electronic throttle control relay terminals.