Curiosii for ever!: Car repair manuals for everyone.

Brake Light Switch: Service and Repair

Stop Light Switch

REMOVAL

1) Disconnect the ground cable from battery.
2) Disconnect the stop light switch connector.
3) Loosen the nuts, remove the screw of the stop light switch (1), and remove stop light switch.





INSTALLATION

1) Install the stop light switch onto the bracket with screws and position it with the nut.
2) Adjust the stop light switch position, and then tighten the nut.

Tightening torque:
8 Nm (0.82 kgf-m, 5.9 ft-lb)





INSPECTION

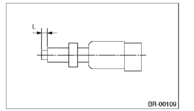
INSPECT THE SPECIFIED POSITION

1) If the stop light switch does not operate properly (or if it is not secured at the specified position), replace with a new part.

Specified position L:
2 mm (0.079 in)





2) Measure the clearance between the threaded end of the stop light switch and the stopper.

CAUTION:
Be careful not to rotate the stop light switch.

Stop light switch clearance A:
0.3 mm (0.012 in)





3) Adjust the position of the stop light switch if the inspection result is not within the standard value.

CAUTION:
Be careful not to rotate the stop light switch.

INSPECT THE RESISTANCE

1) If the stop light switch does not operate properly, replace with a new part.
2) Measure the resistance between stop light switch terminals.








3) Replace the stop light switch if the inspection result is not within the standard value.

ADJUSTMENT

Loosen the lock nut, and adjust the stop light switch position until the clearance (A) between the threaded end of the stop light switch and stopper becomes 0.3 mm (0.012 in). Then, tighten the lock nut.

Tightening torque:
8 Nm (0.82 kgf-m, 5.9 ft-lb)





NOTE:
Tighten lock nut B until the threaded end of switch contacts with stopper. Hold the switch so that it does not rotate, then loosen the lock nut B approx. 60°. The clearance (A) will become approximately 0.3 mm (0.012 in).