Curiosii for ever!: Car repair manuals for everyone.

Electronic Throttle Actuator Relay: Testing and Inspection

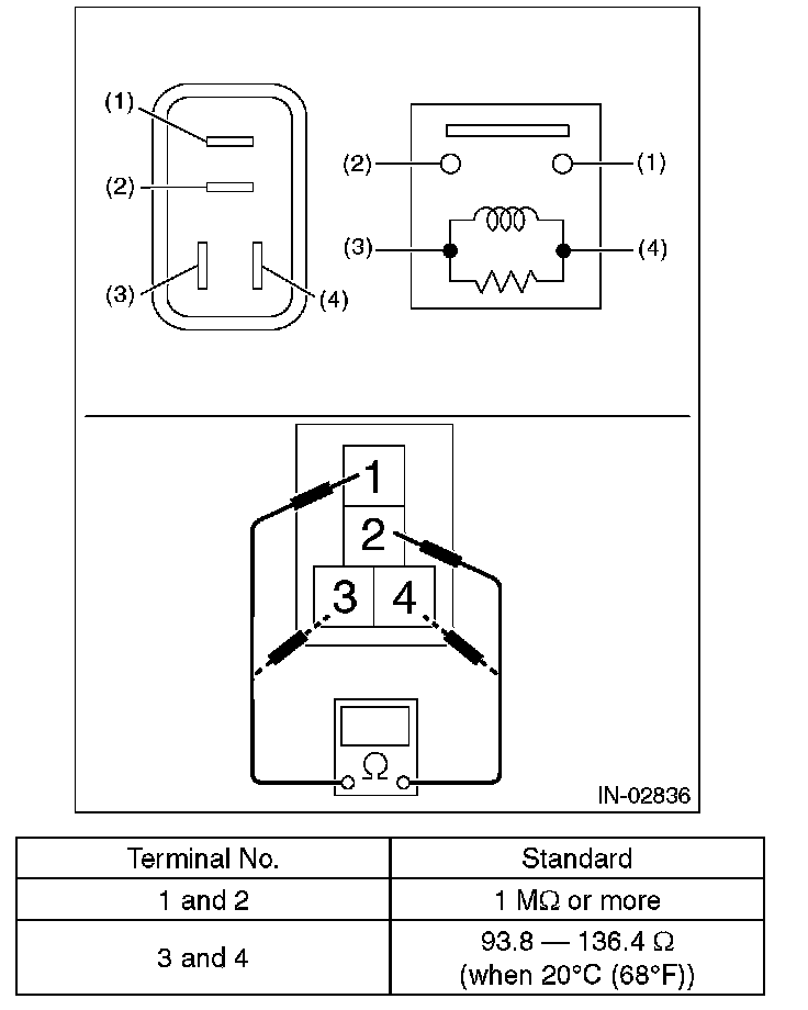
Electronic Throttle Control Relay

INSPECTION

1. Check that the electronic throttle control relay has no deformation, cracks or other damages.
2. Measure the resistance between electronic throttle control relay terminals.






3. Connect terminal No. 3 to battery positive terminal and terminal No. 4 to the battery ground terminal, and check the resistance between the electronic throttle control relay terminals.